NTN UELFU209-111D1軸承技術規格
| 類型 | 四螺栓方形法蘭式軸承座 |
| 軸承類型 | 滾珠軸承 |
| 鎖緊裝置 | 偏心鎖緊套 |
| 密封型式 | 接觸式 |
| 密封圈材質 | 丁腈橡膠 |
| 軸承型號 | UEL209-111D1 |
| 軸承座型號 | FU209D1 |
| 殼體材質 | 鑄鐵 |
| 殼體鑄造型式 | 一體成型 |
| 端蓋類型 | 開式 |
| 性能 | 輕型 |
| 基本額定動載荷 | 7300 lbf 32500 N 32.50 kN |
| 基本額定靜載荷 | 4600 lbf 20400 N 20.40 kN |
| 極限轉速 | 3500轉/分鐘 |
| 重量 | 5.300 lb 2.400 kg |
| 應用溫度范圍 | -40 to 250 oF -40 to 120 oC |
| 潤滑方式 | 可再潤滑 |
NTN UELFU209-111D1軸承尺寸規格
| 四螺栓方形法蘭式軸承座,鑄造外殼,帶偏心鎖緊套,UELFU型 - 尺寸 | |
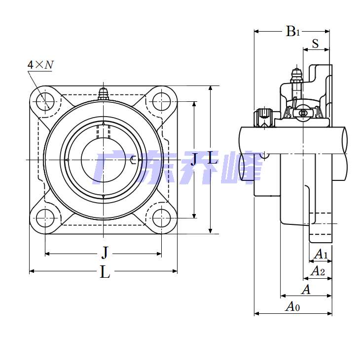
| d | 1.6875 in 42.863 mm |
| L | 137.000 mm5.4 in |
| J | 105.000 mm4.1 in |
| A | 1.5625 in 40.0 mm |
| A0 | 2.3125 in 58.900 mm |
| A1 | 0.7187 in 18.0 mm |
| A2 | 0.9375 in 24.0 mm |
| N | 0.6250 in 16.0 mm |
| B1 | 2.2165 in 56.300 mm |
| S | 0.8425 in 21.400 mm |
| F | 0.1929 in 4.900 mm |
NTN UELFU209-111D1軸承尺寸圖
NTN UELFU209-111D1軸承同尺寸型號
| UELFU209-111D1 | 詳細尺寸,d:42.863mm,c:58.900mm,b:40.000mm,j:105.000mm,r:137.000mm |
| 共計找到1條記錄 | |
NTN UELFU209-111D1軸承相關配件/適用型號
| UEL209-111D1 | 詳細尺寸,d:42.863mm,dD:85.000mm,c:22.000mm,b:56.300mm,r:1.500mm |
NTN軸承推薦
| NTN R166Z軸承 | 描述:軸承型號:R166Z,單列深溝球軸承 - 單面防塵蓋 |
| NTN R2LLU軸承 | 描述:軸承型號:R2LLU,單列深溝球軸承 - 雙面密封(接觸式橡膠密封) |
| NTN 6814LBC3軸承 | 描述:軸承型號:6814LBC3,單列深溝球軸承 - 單面密封(非接觸式橡膠密封) |
| NTN 6032LLU軸承 | 描述:軸承型號:6032LLU,單列深溝球軸承 - 雙面密封(接觸式橡膠密封) |
| NTN UC214D1軸承 | 描述:軸承型號:UC214D1,帶緊定螺釘的外球面軸承,寬外圈 - 球面外圈 |
| NTN 399A/394A軸承 | 描述:軸承型號:399A/394A,圓錐滾子軸承 - 英制系列和J系列 |
| NTN 28137軸承 | 描述:軸承型號:28137,圓錐滾子軸承內圈 - 英制系列和J系列 |
| NTN MR7308TX軸承 | 描述:軸承型號:MR7308TX,圓柱滾子軸承 -可分離型內圈帶一個加強筋,外圈帶兩個擋圈 |
| NTN MR7314TL軸承 | 描述:軸承型號:MR7314TL,圓柱滾子軸承 -可分離型內圈帶一個加強筋,外圈帶兩個擋圈 |
| NTN MU5219UL軸承 | 描述:軸承型號:MU5219UL,圓柱滾子軸承 - 不可分離型,內圈帶兩個加強筋,外圈帶一個加強筋,帶擋圈 |
進口軸承推薦
| TIMKEN 22214KCJW33軸承 | 描述:1.46 kg,調心滾子軸承 |
| FAG 23226E1A.M軸承 | 描述:14 kg,調心滾子軸承(X-life品質) |
| SKF 7211ACD/P4AQBCB軸承 | 描述:2.44 kg, 單列角接觸球軸承 |
| FAG 6208ZZ軸承 | 描述:0.372 kg,單列深溝球軸承 |
| TIMKEN 22322KCJW33C3軸承 | 描述:17.44 kg,調心滾子軸承 |
MCGILL軸承推薦
| MCGILL CF4S軸承 | 基本尺寸,內徑:0.00000mm,外徑:101.60000mm,厚度:57.15000mm。 |
| MCGILL MCF52BX軸承 | 基本尺寸,內徑:0.00000mm,外徑:52.00000mm,厚度:24.00000mm。 |
| MCGILL CYRD3軸承 | 基本尺寸,內徑:1.00000mm,外徑:3.00000mm,厚度:1.75000mm。 |
| MCGILL ROLLWAY-NJ308EMC3軸承 | 基本尺寸,內徑:40.00000mm,外徑:90.00000mm,厚度:23.00000mm。 |
| MCGILL CF5/8S軸承 | 基本尺寸,內徑:0.00000mm,外徑:15.88000mm,厚度:11.11000mm。 |

