NTN UCP-2.5/16軸承技術規格
| 類型 | 軸承座 |
| 軸承類型 | 滾珠軸承 |
| 鎖緊裝置 | 緊定螺釘 |
| 密封型式 | 接觸式 |
| 密封圈材質 | 丁腈橡膠 |
| 軸承型號 | A-UC212-205D1 |
| 軸承座型號 | P212D1V50 |
| 殼體材質 | 鑄鐵 |
| 殼體鑄造型式 | 一體成型 |
| 端蓋類型 | 開式 |
| 表面涂層 | 黑色氧化物 |
| 性能 | 輕型 |
| 基本額定動載荷 | 11800 lbf 52500 N 52.50 kN |
| 基本額定靜載荷 | 8100 lbf 36000 N 36.00 kN |
| 最大擰緊力矩 | 147磅·英寸 |
| 極限轉速 | 2500轉/分鐘 |
| 應用溫度范圍 | -40 to 250 oF -40 to 120 oC |
| 潤滑方式 | 可再潤滑 |
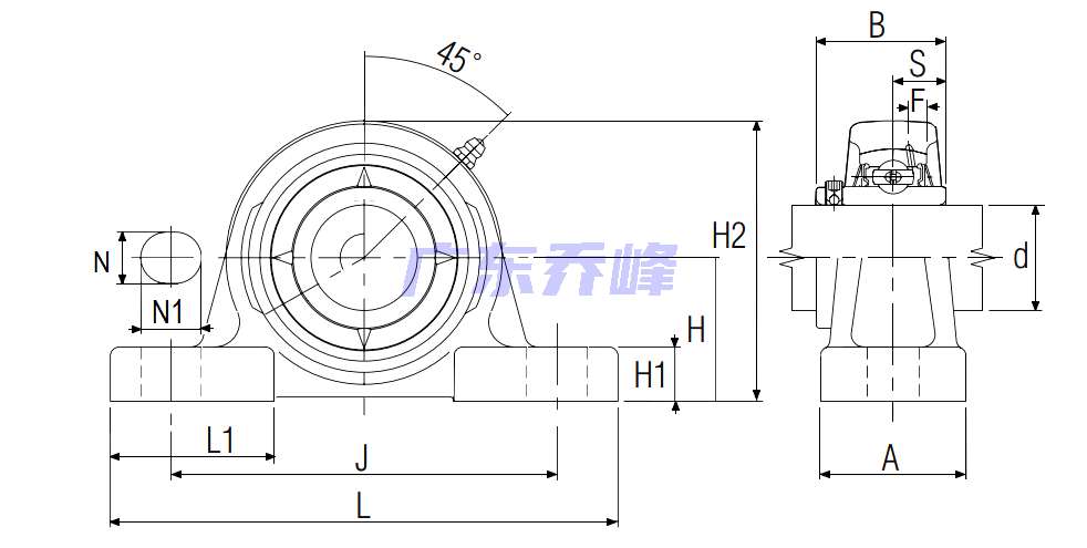
NTN UCP-2.5/16軸承尺寸規格
| 超一流軸承座帶緊定螺釘,高大基座,UCP型 - 尺寸 | |
| d | 2-5/16 in 58.738 mm |
| J | 7-13/32 in 188.1 mm |
| L | 9.5000 in 241.3 mm |
| A | 2.7500 in 69.9 mm |
| H | 2-3/4 in 69.9 mm |
| H1 | 0.9688 in 24.6 mm |
| H2 | 5.4375 in 138.1 mm |
| N | 0.7188 in 18.3 mm |
| N1 | 1.0938 in 27.8 mm |
| L1 | 2.7500 in 69.9 mm |
| B | 2.5630 in 65.100 mm |
| S | 1.0000 in 25.400 mm |
| F | 0.2441 in 6.200 mm |
NTN UCP-2.5/16軸承尺寸圖
NTN UCP-2.5/16軸承同尺寸型號
| UELP-2.5/16 | 詳細尺寸,d:58.738mm,h:69.90000mm,b:69.900mm,j:188.100mm,2b:138.100mm,r:241.300mm |
| UCP-2.5/16 | 詳細尺寸,d:58.738mm,h:69.90000mm,b:69.900mm,j:188.100mm,2b:138.100mm,r:241.300mm |
| 共計找到2條記錄 | |
NTN UCP-2.5/16軸承相關配件/適用型號
| A-UC212-205D1 | 詳細尺寸,d:58.738mm,dD:110.000mm,c:27.000mm,b:65.100mm,r:2.000mm |
NTN軸承推薦
| NTN 6306ZNRS軸承 | 描述:軸承型號:6306ZNRS,單列深溝球軸承 - 單面防塵蓋帶止動環 |
| NTN BL319Z軸承 | 描述:軸承型號:BL319Z,單列深溝球軸承 - 單面防塵蓋 |
| NTN 71909CVDUJ74軸承 | 描述:軸承型號:71909CVDUJ74,雙聯角接觸球軸承,高精度 - 萬能平頂軸承 |
| NTN UC202D1軸承 | 描述:軸承型號:UC202D1,帶緊定螺釘的外球面軸承,寬外圈 - 球面外圈 |
| NTN NN3007K軸承 | 描述:軸承型號:NN3007K,雙列圓柱滾子軸承 - 圓錐孔 - NN型 |
| NTN NJ307E軸承 | 描述:軸承型號:NJ307E,圓柱滾子軸承 -可分離型內圈帶一個加強筋,外圈帶兩個加強筋 |
| NTN NJ308ET2X軸承 | 描述:軸承型號:NJ308ET2X,圓柱滾子軸承 -可分離型內圈帶一個加強筋,外圈帶兩個加強筋 |
| NTN NJ317C3軸承 | 描述:軸承型號:NJ317C3,圓柱滾子軸承 -可分離型內圈帶一個加強筋,外圈帶兩個加強筋 |
| NTN MA5312TX軸承 | 描述:軸承型號:MA5312TX,圓柱滾子軸承 -可分離型,普通內圈,外圈帶兩個擋圈 |
| NTN 23044EAD1C3軸承 | 描述:軸承型號:23044EAW33C3,調心滾子軸承 - 圓柱孔&注油槽,230系列 |
進口軸承推薦
| SKF 6310-2RS1NR軸承 | 描述:1.12 kg,單列深溝球軸承 |
| NSK 7914CTRV1VSULP3軸承 | 描述:0.33 kg, |
| NMB R4LL軸承 | 描述:0.015 kg,單列深溝球軸承 |
| NACHI 6000ZE軸承 | 描述:0.018 kg,單列深溝球軸承 |
| FAG 6212-2RSR-L207-C3軸承 | 描述:0.791 kg,單列深溝球軸承 |
MCGILL軸承推薦
| MCGILL MCYR25SX軸承 | 基本尺寸,內徑:25.00000mm,外徑:52.00000mm,厚度:24.00000mm。 |
| MCGILL SB22226KW33SS軸承 | 基本尺寸,內徑:130.00000mm,外徑:230.00000mm,厚度:64.00000mm。 |
| MCGILL ROLLWAY-NJ214EM軸承 | 基本尺寸,內徑:70.00000mm,外徑:125.00000mm,厚度:24.00000mm。 |
| MCGILL GR12N+MI9N軸承 | 基本尺寸,內徑:0.75000mm,外徑:1.25000mm,厚度:0.75000mm。 |
| MCGILL CCYR1-1/8-S軸承 | 基本尺寸,內徑:7.94000mm,外徑:28.58000mm,厚度:15.88000mm。 |

