NTN SM-UKT207D1 (when used with H2307X)軸承技術規格
| 類型 | 滑塊式軸承座 |
| 軸承類型 | 滾珠軸承 |
| 鎖緊裝置 | 緊定襯套 |
| 密封型式 | 接觸式 |
| 密封圈材質 | 丁腈橡膠 |
| 軸承型號 | UK207D1 |
| 軸承座型號 | T207D1 |
| 殼體材質 | 鑄鐵 |
| 性能 | 輕型 |
| 基本額定動載荷 | 5800 lbf 25700 N 25.70 kN |
| 基本額定靜載荷 | 3450 lbf 15300 N 15.30 kN |
| 重量 | 4.000 lb 1.700 kg |
| 應用溫度范圍 | -40 to 250 oF -40 to 120 oC |
| 潤滑方式 | 可再潤滑 |
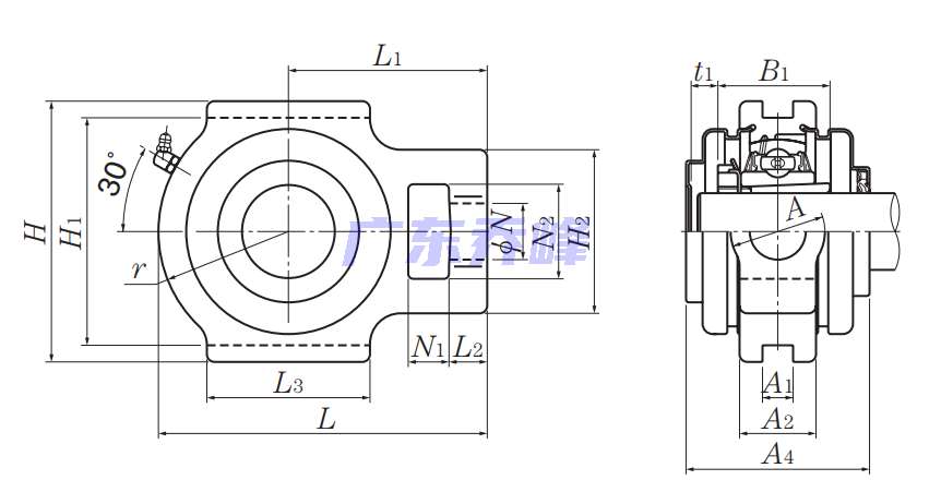
NTN SM-UKT207D1 (when used with H2307X)軸承尺寸規格
| 滑塊式軸承座,鑄造外殼,帶緊定襯套,壓制鋼防塵蓋,封閉端蓋,UKT型 - 尺寸 | |
| d | 1.1811 in 30.000 mm |
| L | 5.0937 in 129.0 mm |
| H | 4.0313 in 102.0 mm |
| A4 | 2.8437 in 72.000 mm |
| H1 | 3.5000 in 89.0 mm |
| H2 | 2.5312 in 64.0 mm |
| L1 | 3.0625 in 78.0 mm |
| L2 | 0.5937 in 15.0 mm |
| L3 | 2.5312 in 64.0 mm |
| N | 0.4724 in 12.0 mm |
| N1 | 0.8750 in 22.0 mm |
| N2 | 0.6250 in 16.0 mm |
| A | 1.4687 in 37.0 mm |
| A1 | 1.4687 in 37.0 mm |
| A2 | 1.1875 in 30.0 mm |
| r | 2.0000 in 51.0 mm |
| B1 | 1.6930 in 43.000 mm |
| F | 0.1811 in 4.600 mm |
| 注意 | 銷售圖紙反映的是不帶緊定襯套的尺寸,實際上是帶的,因此需要注意。如不能很好把握,可直接致電020-81178086咨詢我們。 |
NTN SM-UKT207D1 (when used with H2307X)軸承尺寸圖
NTN SM-UKT207D1 (when used with H2307X)軸承同尺寸型號
| SM-UCTX06D1 | 詳細尺寸,d:30.000mm,h:102.00000mm,be:72.000mm,r:129.000mm,r2max:89.000mm |
| S-UCTX06D1 | 詳細尺寸,d:30.000mm,h:102.00000mm,be:72.000mm,r:129.000mm,r2max:89.000mm |
| SM-UKT207D1 (when used with H2307X) | 詳細尺寸,d:30.000mm,h:102.00000mm,be:72.000mm,r:129.000mm,r2max:89.000mm |
| S-UKT207D1 (when used with H2307X) | 詳細尺寸,d:30.000mm,h:102.00000mm,be:72.000mm,r:129.000mm,r2max:89.000mm |
| 共計找到4條記錄 | |
NTN SM-UKT207D1 (when used with H2307X)軸承相關配件/適用型號
| UK207D1 | 詳細尺寸,d:35.000mm,dD:72.000mm,c:20.000mm,b:29.000mm |
NTN軸承推薦
| NTN 6203T2LLHX3C4軸承 | 描述:軸承型號:6203T2LLHX3C4,單列深溝球軸承 - 雙面密封(輕接觸橡膠密封) |
| NTN CH7214CG1DUJ74軸承 | 描述:軸承型號:CH7214CG1DUJ74,雙列混合陶瓷角接觸球軸承,高精度 - 萬能平頂軸承 |
| NTN 7006DB軸承 | 描述:軸承型號:7006DB,雙聯角接觸球軸承 - 背對背配對 |
| NTN 51110軸承 | 描述:軸承型號:51110,單向推力球軸承 |
| NTN 598A/592XS軸承 | 描述:軸承型號:598A/592XS,圓錐滾子軸承 - 英制系列和J系列 |
| NTN M1309EX軸承 | 描述:軸承型號:M1309EX,帶保持架和滾子的外圈,兩個加強筋 |
| NTN M1314UX軸承 | 描述:軸承型號:M1314UX,帶保持架和滾子的外圈,一邊帶加強筋&一邊帶擋圈 |
| NTN WU68215X軸承 | 描述:軸承型號:WU68215X,內圈帶滾子帶兩個加強筋 |
| NTN NU222EMC3軸承 | 描述:軸承型號:NU222EMC3,圓柱滾子軸承 -可分離型,普通內圈,外圈帶兩個加強筋 - NU型 |
| NTN KRT26軸承 | 描述:軸承型號:KRT26,凸輪從動螺柱式滾輪軸承 - 球面外圈,KRT型 |
進口軸承推薦
| NTN 22211EAW33軸承 | 描述:0.802 kg,調心滾子軸承 |
| MRC 208SFF/C3/ABEC-1/EMQ軸承 | 描述:0.372 kg,單列深溝球軸承 |
| NSK 23030ESTVPB軸承 | 描述:7.63 kg,調心滾子軸承 |
| BARDEN 110T軸承 | 描述:0.25 kg, 單列角接觸球軸承 |
| FAG 24152-E1-K30-C3軸承 | 描述:112 kg,調心滾子軸承(X-life品質) |
MCGILL軸承推薦
| MCGILL MCFD80軸承 | 基本尺寸,內徑:0.00000mm,外徑:80.00000mm,厚度:35.00000mm。 |
| MCGILL CCF1-3/4-S軸承 | 基本尺寸,內徑:0.00000mm,外徑:44.45000mm,厚度:25.40000mm。 |
| MCGILL BCCYR1-1/8S軸承 | 基本尺寸,內徑:7.94000mm,外徑:28.58000mm,厚度:15.88000mm。 |
| MCGILL CF8SB軸承 | 基本尺寸,內徑:0.00000mm,外徑:203.20000mm,厚度:107.95000mm。 |
| MCGILL CYRD1-3/8軸承 | 基本尺寸,內徑:0.37500mm,外徑:1.37500mm,厚度:0.75000mm。 |

