NTN S-UKT207D1 (when used with H2307X)軸承技術規格
| 類型 | 滑塊式軸承座 |
| 軸承類型 | 滾珠軸承 |
| 鎖緊裝置 | 緊定襯套 |
| 密封型式 | 接觸式 |
| 密封圈材質 | 丁腈橡膠 |
| 軸承型號 | UK207D1 |
| 軸承座型號 | T207D1 |
| 殼體材質 | 鑄鐵 |
| 性能 | 輕型 |
| 基本額定動載荷 | 5800 lbf 25700 N 25.70 kN |
| 基本額定靜載荷 | 3450 lbf 15300 N 15.30 kN |
| 重量 | 4.000 lb 1.700 kg |
| 應用溫度范圍 | -40 to 250 oF -40 to 120 oC |
| 潤滑方式 | 可再潤滑 |
NTN S-UKT207D1 (when used with H2307X)軸承尺寸規格
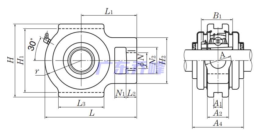
| 滑塊式軸承座,鑄造外殼,帶緊定襯套,壓制鋼防塵蓋,開式端蓋,UKT型 - 尺寸 | |
| d | 1.1811 in 30.000 mm |
| L | 5.0937 in 129.0 mm |
| H | 4.0313 in 102.0 mm |
| A4 | 2.8437 in 72.000 mm |
| H1 | 3.5000 in 89.0 mm |
| H2 | 2.5312 in 64.0 mm |
| L1 | 3.0625 in 78.0 mm |
| L2 | 0.5937 in 15.0 mm |
| L3 | 2.5312 in 64.0 mm |
| N | 0.4724 in 12.0 mm |
| N1 | 0.8750 in 22.0 mm |
| N2 | 0.6250 in 16.0 mm |
| A | 1.4687 in 37.0 mm |
| A1 | 1.4687 in 37.0 mm |
| A2 | 1.1875 in 30.0 mm |
| r | 2.0000 in 51.0 mm |
| B1 | 1.6930 in 43.000 mm |
| F | 0.1811 in 4.600 mm |
| 注意 | 銷售圖紙反映的是不帶緊定襯套的尺寸,實際上是帶的,因此需要注意。如不能很好把握,可直接致電020-81178086咨詢我們。 |
NTN S-UKT207D1 (when used with H2307X)軸承尺寸圖
NTN S-UKT207D1 (when used with H2307X)軸承同尺寸型號
| S-UCTX06D1 | 詳細尺寸,d:30.000mm,h:102.00000mm,be:72.000mm,r:129.000mm,r2max:89.000mm |
| SM-UCTX06D1 | 詳細尺寸,d:30.000mm,h:102.00000mm,be:72.000mm,r:129.000mm,r2max:89.000mm |
| SM-UKT207D1 (when used with H2307X) | 詳細尺寸,d:30.000mm,h:102.00000mm,be:72.000mm,r:129.000mm,r2max:89.000mm |
| S-UKT207D1 (when used with H2307X) | 詳細尺寸,d:30.000mm,h:102.00000mm,be:72.000mm,r:129.000mm,r2max:89.000mm |
| 共計找到4條記錄 | |
NTN S-UKT207D1 (when used with H2307X)軸承相關配件/適用型號
| UK207D1 | 詳細尺寸,d:35.000mm,dD:72.000mm,c:20.000mm,b:29.000mm |
NTN軸承推薦
| NTN 6202LBN軸承 | 描述:軸承型號:6202LBN,單列深溝球軸承 - 單面密封(非接觸式橡膠密封)帶止動環槽 |
| NTN 6303NC3軸承 | 描述:軸承型號:6303NC3,單列深溝球軸承 - 開式,帶止動環槽 |
| NTN AC-6207LLB軸承 | 描述:軸承型號:AC-6207LLB,AC軸承 - 雙面密封(非接觸式橡膠密封) |
| NTN 7920軸承 | 描述:軸承型號:7920,單列角接觸球軸承 - 開式 |
| NTN 7324BDB軸承 | 描述:軸承型號:7324BDB,雙聯角接觸球軸承 - 背對背配對 |
| NTN UCX09-112D1軸承 | 描述:軸承型號:UCX09-112D1,帶緊定螺釘的外球面軸承,寬外圈 - 球面外圈 |
| NTN M241549軸承 | 描述:軸承型號:M241549,圓錐滾子軸承內圈 - 英制系列和J系列 |
| NTN 413180軸承 | 描述:軸承型號:413180,雙列圓錐滾子軸承 |
| NTN NH2308E軸承 | 描述:軸承型號:NH2308E,圓柱滾子軸承帶單擋邊內圈帶外圈&滾子組件,斜擋圈 - NH系列 |
| NTN NUP1084軸承 | 描述:軸承型號:NUP1084,圓柱滾子軸承 -可分離型,短內圈帶一個加強筋,帶側板,外圈帶兩個加強筋 |
進口軸承推薦
| SKF 24124軸承 | 描述:10.1 kg,調心滾子軸承 |
| NTN 6204ZZ NR C3軸承 | 描述:0.107 kg,單列深溝球軸承 |
| FAG 6310ZR.C3軸承 | 描述:1.07 kg,單列深溝球軸承 |
| FAG 6212-B-2Z-L038-C3軸承 | 描述:0.803 kg,單列深溝球軸承 |
| SKF 23226CC/W513軸承 | 描述:14 kg,調心滾子軸承 |
MCGILL軸承推薦
| MCGILL BCCF11/16SB軸承 | 基本尺寸,內徑:0.00000mm,外徑:17.46000mm,厚度:11.11000mm。 |
| MCGILL CF1S軸承 | 基本尺寸,內徑:0.00000mm,外徑:25.40000mm,厚度:15.88000mm。 |
| MCGILL MCF26ASBX軸承 | 基本尺寸,內徑:0.00000mm,外徑:26.00000mm,厚度:12.00000mm。 |
| MCGILL ROLLWAY-NJ313EMC3軸承 | 基本尺寸,內徑:65.00000mm,外徑:140.00000mm,厚度:33.00000mm。 |
| MCGILL GR140+MI120軸承 | 基本尺寸,內徑:8.75000mm,外徑:10.62500mm,厚度:3.00000mm。 |

