NTN NUKRU72X軸承技術規格
| 類型 | 凸輪從動軸承 |
| 材質 | 淬透鋼 |
| 螺紋類型 | 公制 |
| 保持架材質 | 無 |
| 極限轉速-脂潤滑 | 2400轉/分鐘 |
| 滾子型式 | 圓柱型 |
| 螺柱類型 | 偏心 |
| 軸承類型 | 滾針軸承 |
| 外圈類型 | 圓柱型 |
| 附件 | 防塵蓋 |
| 驅動裝置型式 | 插入式 |
| 結構 | 單列 |
| 扭矩 | 178.0 N ·m |
| 基本額定靜載荷 | 19200 lbf 85500 N |
| 基本額定動載荷 | 13900 lbf 62000 N |
| 軌道額定載荷 | 8650 lbf 38500 N |
| 重量 | 2.227 lb 1.010 kg |
| 應用溫度范圍 | -40 to 250 oF -40 to 120 oC |
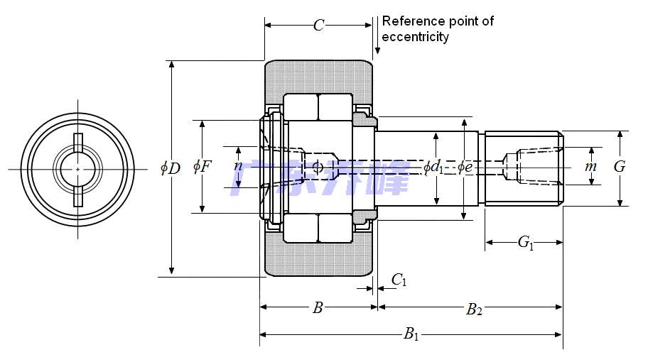
NTN NUKRU72X軸承尺寸規格
| 凸輪從動螺柱式滾輪軸承 - 圓柱內徑,NUKRU - 尺寸 | |
| G | M24x1.5 |
| B1 | 3.1496 in 80.000 mm |
| B2 | 1.9488 in 49.500 mm |
| D | 2.8346 in 72.000 mm |
| D公差 | 0/-0.0020 in 0/-0.050 mm |
| B | 1.2008 in 30.500 mm |
| C | 1.1417 in 29.000 mm |
| d1 | 0.9449 in 24.000 mm |
| d1公差 | 0/-0.0008 in 0/-0.021 mm |
| G1 | 0.9843 in 25.000 mm |
| e | 1.7323 in 44.000 mm |
| F | 1.6339 in 41.500 mm |
| C1 | 0.0315 in 0.800 mm |
| n | PT1/8 |
| m | PT1/8 |
| 注油嘴尺寸 | A-PT1/8 |
NTN NUKRU72X軸承尺寸圖
NTN軸承推薦
| NTN 6204Z軸承 | 描述:軸承型號:6204Z,單列深溝球軸承 - 單面防塵蓋 |
| NTN 6815ZZ軸承 | 描述:軸承型號:6815ZZ,單列深溝球軸承 - 雙面防塵蓋 |
| NTN WC88038C3軸承 | 描述:軸承型號:WC88038C3,單列深溝球軸承 - 雙面密封(接觸式橡膠密封),WC88000系列 |
| NTN 3314S軸承 | 描述:軸承型號:3314,雙列角接觸球軸承 - 開式 |
| NTN 7020HVUJ74軸承 | 描述:軸承型號:7020HVUJ74,單列角接觸球軸承,高精度 |
| NTN 5S-HSB016CAEX1T#02軸承 | 描述:軸承型號:5S-HSB016CAEX1T#02,超高速單列角接觸球軸承 |
| NTN L217810軸承 | 描述:軸承型號:L217810,圓錐滾子軸承外圈 - 英制系列和J系列 |
| NTN 32032XU軸承 | 描述:軸承型號:32032X,圓錐滾子軸承 - 公制系列 |
| NTN NU414G1C3軸承 | 描述:軸承型號:NU414G1C3,圓柱滾子軸承 -可分離型,普通內圈,外圈帶兩個加強筋 - NU型 |
| NTN MU1307TL軸承 | 描述:軸承型號:MU1307TL,圓柱滾子軸承 - 不可分離型,內圈帶兩個加強筋,外圈帶兩個擋圈 |
進口軸承推薦
| NSK 22212EKJE4C3軸承 | 描述:1.091 kg,調心滾子軸承 |
| FAG 6305-Z-N軸承 | 描述:0.23 kg,深溝球軸承 |
| FAG 22328-E1軸承 | 描述:32.9 kg,調心滾子軸承(X-life品質) |
| KOYO SB7255C3 FY軸承 | 描述:71.9 kg,單列深溝球軸承 |
| NACHI 22208EXQW33C3軸承 | 描述:0.489 kg,調心滾子軸承 |
MCGILL軸承推薦
| MCGILL CCFH5SB軸承 | 基本尺寸,內徑:0.00000mm,外徑:127.00000mm,厚度:69.85000mm。 |
| MCGILL CCF1-3/8SB軸承 | 基本尺寸,內徑:0.00000mm,外徑:34.93000mm,厚度:19.05000mm。 |
| MCGILL MR48SS+MI40軸承 | 基本尺寸,內徑:3.00000mm,外徑:3.75000mm,厚度:1.75000mm。 |
| MCGILL ROLLWAY-N307EM軸承 | 基本尺寸,內徑:35.00000mm,外徑:80.00000mm,厚度:21.00000mm。 |
| MCGILL PCFE2-1/2軸承 | 基本尺寸,內徑:0.00000mm,外徑:2.50000mm,厚度:1.69000mm。 |

