NTN NUKRU72軸承技術規格
| 類型 | 凸輪從動軸承 |
| 材質 | 淬透鋼 |
| 螺紋類型 | 公制 |
| 保持架材質 | 無 |
| 極限轉速-脂潤滑 | 2400轉/分鐘 |
| 滾子型式 | 凸度滾子 |
| 螺柱類型 | 偏心 |
| 軸承類型 | 滾針軸承 |
| 外圈類型 | 球面 |
| 附件 | 防塵蓋 |
| 驅動裝置型式 | 插入式 |
| 結構 | 單列 |
| 扭矩 | 178.0 N ·m |
| 基本額定靜載荷 | 19200 lbf 85500 N |
| 基本額定動載荷 | 13900 lbf 62000 N |
| 軌道額定載荷 | 1810 lbf 8050 N |
| 重量 | 2.227 lb 1.010 kg |
| 應用溫度范圍 | -40 to 250 oF -40 to 120 oC |
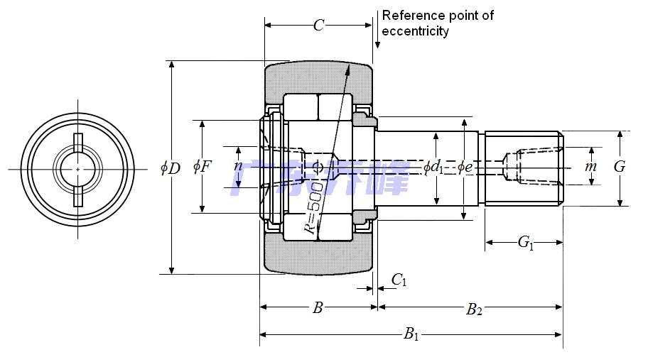
NTN NUKRU72軸承尺寸規格
| 凸輪從動螺柱式滾輪軸承 - 球面外圈,NUKRU型 - 尺寸 | |
| G | M24x1.5 |
| B1 | 3.1496 in 80.000 mm |
| B2 | 1.9488 in 49.500 mm |
| D | 2.8346 in 72.000 mm |
| D公差 | 0/-0.0020 in 0/-0.050 mm |
| B | 1.2008 in 30.500 mm |
| C | 1.1417 in 29.000 mm |
| d1 | 0.9449 in 24.000 mm |
| d1公差 | 0/-0.0008 in 0/-0.021 mm |
| G1 | 0.9843 in 25.000 mm |
| e | 1.7323 in 44.000 mm |
| F | 1.6339 in 41.500 mm |
| C1 | 0.0315 in 0.800 mm |
| n | PT1/8 |
| m | PT1/8 |
| 注油嘴尺寸 | A-PT1/8 |
NTN NUKRU72軸承尺寸圖
NTN軸承推薦
| NTN 63/22C3軸承 | 描述:軸承型號:63/22C3,單列深溝球軸承 - 開式 |
| NTN 6210ZNC3軸承 | 描述:軸承型號:6210ZNC3,單列深溝球軸承 - 單面防塵蓋帶止動環槽 |
| NTN 6014ZZNC3軸承 | 描述:軸承型號:6014ZZNC3,單列深溝球軸承 - 雙面防塵蓋,帶止動環槽 |
| NTN 6813LLBNRC3軸承 | 描述:軸承型號:6813LLBNRC3,單列深溝球軸承 - 雙面密封(非接觸式橡膠密封)帶止動環 |
| NTN 6922ZZN軸承 | 描述:軸承型號:6922ZZN,單列深溝球軸承 - 雙面防塵蓋,帶止動環槽 |
| NTN 2LA-HSE021軸承 | 描述:軸承型號:2LA-HSE021,單列高速角接觸球軸承 - HSE Ultage系列 |
| NTN 7211CP5軸承 | 描述:軸承型號:7211CP5,單列角接觸球軸承 - 開式 |
| NTN NU313ET2XC3軸承 | 描述:軸承型號:NU313ET2XC3,圓柱滾子軸承 -可分離型,普通內圈,外圈帶兩個加強筋 - NU型 |
| NTN NKX45軸承 | 描述:軸承型號:NKX45,帶推力球軸承的滾針組合軸承 - 開式 |
| NTN 22330EMKD1軸承 | 描述:軸承型號:22330EMKW33,調心滾子軸承,帶圓錐孔&注油槽 |
進口軸承推薦
| SKF 609-2RS1/C3軸承 | 描述:0.014 kg,單列深溝球軸承 |
| FAG 232/600-B-K-MB-C3軸承 | 描述:1600 kg,調心滾子軸承 |
| FAG 6303ZR.C4軸承 | 描述:0.116 kg,單列深溝球軸承 |
| NTN 23952EW33C3軸承 | 描述:23.6 kg,調心滾子軸承 |
| NTN LH-22211BKD1軸承 | 描述:0.8 kg,調心滾子軸承 |
MCGILL軸承推薦
| MCGILL BCF2-1/4S軸承 | 基本尺寸,內徑:0.00000mm,外徑:57.15000mm,厚度:31.75000mm。 |
| MCGILL BCCFE1-1/2SB軸承 | 基本尺寸,內徑:0.00000mm,外徑:38.10000mm,厚度:22.23000mm。 |
| MCGILL GR132+MI112軸承 | 基本尺寸,內徑:8.25000mm,外徑:10.12500mm,厚度:3.00000mm。 |
| MCGILL ROLLWAY-NU319EMC3軸承 | 基本尺寸,內徑:95.00000mm,外徑:200.00000mm,厚度:45.00000mm。 |
| MCGILL SB22216K-W33-SS軸承 | 基本尺寸,內徑:80.00000mm,外徑:140.00000mm,厚度:33.00000mm。 |

