NTN HSE022CDTBT/GNP4軸承代號說明
H
S
E
0
2
2
C
D
T
B
T
/
G
N
P
4
HSE:高速角接觸球軸承.HSE Ultage型,默認接觸角 20o
0:尺寸系列:10系列
22:內徑:110 mm
C:接觸角 15o
DTBT:四列配對 / / \ \
/GN:正常預緊
P4:P4級精度
HSE:
高速角接觸球軸承.HSE Ultage型,默認接觸角 20o
0:
尺寸系列:10系列
22:
內徑:110 mm
C:
接觸角 15o
DTBT:
四列配對 / / \ \
/GN:
正常預緊
P4:
P4級精度
NTN HSE022CDTBT/GNP4軸承技術規格
| 類型 | 角接觸球軸承 |
| 內孔型式 | 圓柱孔 |
| 材質 | 高碳鉻鋼 |
| 保持架型式 | 機加工 |
| 保持架材質 | 酚醛樹脂 |
| 滾珠材質 | 鋼 |
| 極限轉速-油潤滑 | 13875轉/分鐘 |
| 極限轉速-脂潤滑 | 8325轉/分鐘 |
| 精度 | ISO Class 4 |
| 結構 | 四列 |
| 預緊力 | 一般水平 |
| 附件 | 開式 |
| 重量 | 18.783 lb 8.520 kg |
| 應用溫度范圍 | -40 to 250 oF -40 to 120 oC |
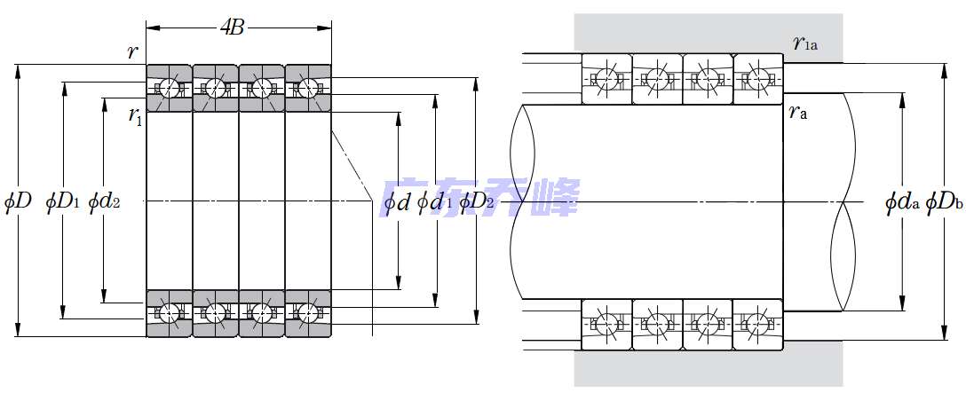
NTN HSE022CDTBT/GNP4軸承尺寸規格
| 高速多列角接觸球軸承 - HSE Ultage系列 - 尺寸 | |
| d | 4.3307 in 110.000 mm |
| D | 6.6929 in 170.000 mm |
| B | 1.1024 in 28.000 mm |
| 4B | 4.4094 in 112.000 mm |
| r | 0.0787 in 2.000 mm |
| r1 | 0.0394 in 1.000 mm |
| 接觸角 | 15 o |
NTN HSE022CDTBT/GNP4軸承尺寸圖
NTN軸承推薦
| NTN 6015LBNC3軸承 | 描述:軸承型號:6015LBNC3,單列深溝球軸承 - 單面密封(非接觸式橡膠密封)帶止動環槽 |
| NTN 6988C3軸承 | 描述:軸承型號:6988C3,單列深溝球軸承 - 開式 |
| NTN 3309SC3軸承 | 描述:軸承型號:3309C3,雙列角接觸球軸承 - 開式 |
| NTN QJ313軸承 | 描述:軸承型號:QJ313,四點接觸球軸承 |
| NTN 7000CGD2/GNP4軸承 | 描述:軸承型號:7000CGD2/GNP4,雙聯角接觸球軸承 - 萬能平頂軸承 |
| NTN 51411軸承 | 描述:軸承型號:51411,單向推力球軸承 |
| NTN NUP311軸承 | 描述:軸承型號:NUP311,圓柱滾子軸承 -可分離型,短內圈帶一個加強筋,帶側板,外圈帶兩個加強筋 |
| NTN NUP2256軸承 | 描述:軸承型號:NUP2256,圓柱滾子軸承 -可分離型,短內圈帶一個加強筋,帶側板,外圈帶兩個加強筋 |
| NTN MU1016DX軸承 | 描述:軸承型號:MU1016DX,圓柱滾子軸承 -內圈帶兩個加強筋,可分離型外圈帶一個加強筋 |
| NTN ZS120179軸承 | 描述:軸承型號:ZS120179,ZS墊圈 |
進口軸承推薦
| IBC 7306C T P4A UL軸承 | 描述:0.331 kg 單列角接觸球軸承 |
| SNR 7205B軸承 | 描述:0.14 kg, 單列角接觸球軸承 |
| NACHI 6004Z C3軸承 | 描述:0.066 kg,單列深溝球軸承 |
| FAG 23122-E1A-XL-K-M軸承 | 描述:5.4 kg,調心滾子軸承(X-life品質) |
| NSK 24020CE4C4軸承 | 描述:2.98 kg,調心滾子軸承 |
MCGILL軸承推薦
| MCGILL CFH2.1/4-SB軸承 | 基本尺寸,內徑:0.00000mm,外徑:57.15000mm,厚度:31.75000mm。 |
| MCGILL CCFH7SB軸承 | 基本尺寸,內徑:0.00000mm,外徑:177.80000mm,厚度:95.25000mm。 |
| MCGILL MCFR-22A-S-TMS1軸承 | 基本尺寸,內徑:0.00000mm,外徑:22.00000mm,厚度:12.00000mm。 |
| MCGILL MR148+MI128軸承 | 基本尺寸,內徑:9.25000mm,外徑:11.12500mm,厚度:3.00000mm。 |
| MCGILL ROLLWAY-NU222EMC3軸承 | 基本尺寸,內徑:110.00000mm,外徑:200.00000mm,厚度:38.00000mm。 |

