NTN CR14XLL軸承技術規格
| 類型 | 凸輪從動軸承 |
| 材質 | 淬透鋼 |
| 螺紋類型 | 英制 |
| 保持架材質 | 穿孔鋼板 |
| 極限轉速-油潤滑 | 10000轉/分鐘 |
| 極限轉速-脂潤滑 | 10000轉/分鐘 |
| 滾子型式 | 圓柱型 |
| 軸承類型 | 滾針軸承 |
| 外圈類型 | 圓柱型 |
| 附件 | 雙面密封 |
| 驅動裝置型式 | 插入式 |
| 結構 | 單列 |
| 扭矩 | 2.9 lb ·ft13 N ·m |
| 基本額定靜載荷 | 1500 lbf 6650 N |
| 基本額定動載荷 | 1190 lbf 5300 N |
| 重量 | 0.106 lb 0.048 kg |
| 應用溫度范圍 | -40 to 250 oF -40 to 120 oC |
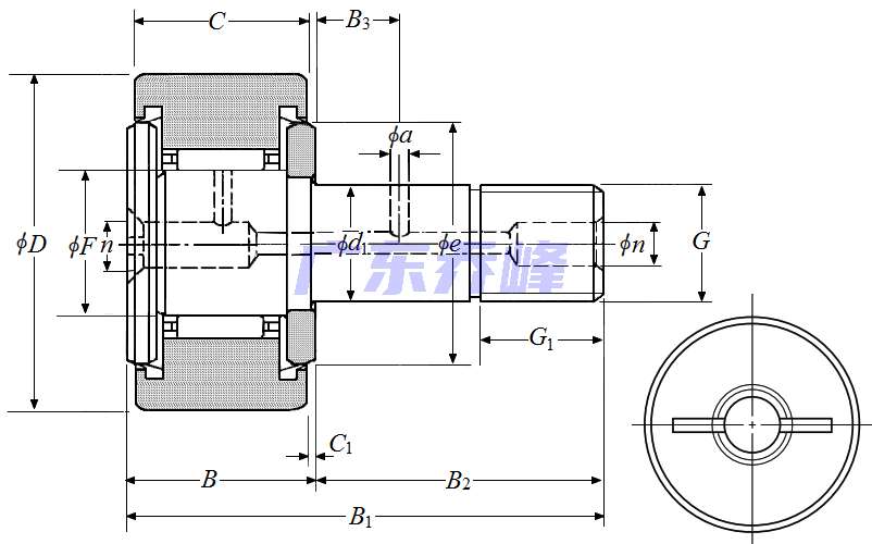
NTN CR14XLL軸承尺寸規格
| 凸輪從動螺柱式滾輪軸承 - 圓柱內徑,CR..LL型 - 尺寸 | |
| G | 3/8-24UNF |
| B1 | 1.4370 in 36.500 mm |
| B2 | 0.8740 in 22.200 mm |
| D | 0.8750 in 22.225 mm |
| D公差 | 0/-0.0020 in 0/-0.050 mm |
| B | 0.5630 in 14.300 mm |
| C | 0.5000 in 12.700 mm |
| C公差 | 0/-0.0051 in 0/-0.130 mm |
| d1 | 0.3750 in 9.525 mm |
| d1公差 | 0.0010/0 in 0.025/0 mm |
| G1 | 0.3740 in 9.500 mm |
| e | 0.6496 in 16.500 mm |
| B3 | 0.2500 in 6.350 mm |
| a | 0.1181 in 3.000 mm |
| F | 0.4724 in 12.000 mm |
| C1 | 0.0315 in 0.800 mm |
| n | 0.1575 in 4.000 mm |
| 注油嘴尺寸 | NIP-B4 |
NTN CR14XLL軸承尺寸圖
NTN軸承推薦
| NTN 6211LUNC3軸承 | 描述:軸承型號:6211LUNC3,單列深溝球軸承 - 單面密封(接觸式橡膠密封)帶止動環槽 |
| NTN 6215LLBNRC3軸承 | 描述:軸承型號:6215LLBNRC3,單列深溝球軸承 - 雙面密封(非接觸式橡膠密封)帶止動環 |
| NTN 6920C3軸承 | 描述:軸承型號:6920C3,單列深溝球軸承 - 開式 |
| NTN BST45X100-1BLXLDTTT軸承 | 描述:軸承型號:BST45X100-1BLXLDTTT,滾珠絲杠用四列角接觸推力球軸承 - DTTT配對,雙面密封,四排承受軸向載荷 |
| NTN ALS208-108N軸承 | 描述:軸承型號:ALS208-108N,外球面軸承 - 圓柱內徑,帶止動環槽 |
| NTN 27620軸承 | 描述:軸承型號:27620,圓錐滾子軸承外圈 - 英制系列和J系列 |
| NTN N311軸承 | 描述:軸承型號:N311,圓柱滾子軸承 -內圈帶兩個加強筋,可分離型,普通外圈 - N型 |
| NTN N2238軸承 | 描述:軸承型號:N2238,圓柱滾子軸承 -內圈帶兩個加強筋,可分離型,普通外圈 - N型 |
| NTN MU5307TX軸承 | 描述:軸承型號:MU5307TX,圓柱滾子軸承 - 不可分離型,內圈帶兩個加強筋,外圈帶兩個擋圈 |
| NTN K90X98X26軸承 | 描述:軸承型號:K90X98X26,滾針和保持架組件 |
進口軸承推薦
| NACHI 22314K軸承 | 描述:4 kg,調心滾子軸承 |
| NACHI 6204NSL軸承 | 描述:0.103 kg, |
| EZO 61810 2RS軸承 | 描述:0.051 kg,單列深溝球軸承 |
| NACHI 6024ZZ軸承 | 描述:2.25 kg,單列深溝球軸承 |
| SKF 7009CEGA/HCP4A軸承 | 描述:0.21 kg, 單列角接觸球軸承 |
MCGILL軸承推薦
| MCGILL GR32+MI26軸承 | 基本尺寸,內徑:2.00000mm,外徑:2.56250mm,厚度:1.25000mm。 |
| MCGILL MCYRR20S軸承 | 基本尺寸,內徑:20.00000mm,外徑:47.00000mm,厚度:24.00000mm。 |
| MCGILL ROLLWAY-E5216B軸承 | 基本尺寸,內徑:80.00000mm,外徑:140.00000mm,厚度:44.50000mm。 |
| MCGILL MCFRE62SB軸承 | 基本尺寸,內徑:0.00000mm,外徑:62.00000mm,厚度:29.00000mm。 |
| MCGILL BCCFE2-3/4S軸承 | 基本尺寸,內徑:0.00000mm,外徑:69.85000mm,厚度:38.10000mm。 |

