NTN ASPF207-104軸承技術規格
| 類型 | 三螺栓法蘭式軸承座 |
| 軸承類型 | 滾珠軸承 |
| 鎖緊裝置 | 緊定螺釘 |
| 密封型式 | 接觸式 |
| 密封圈材質 | 丁腈橡膠 |
| 軸承型號 | AS207-104 |
| 軸承座型號 | PF207 |
| 殼體材質 | 鋼 |
| 殼體鑄造型式 | 兩片接合式 |
| 注油孔數 | 3 |
| 端蓋類型 | 開式 |
| 性能 | 輕型 |
| 基本額定動載荷 | 5800 lbf 25700 N 25.70 kN |
| 基本額定靜載荷 | 3450 lbf 15300 N 15.30 kN |
| 極限轉速 | 4200轉/分鐘 |
| 重量 | 1.300 lb 0.600 kg |
| 應用溫度范圍 | -40 to 250 oF -40 to 120 oC |
| 潤滑方式 | 不可再潤滑 |
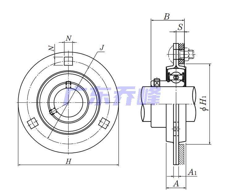
NTN ASPF207-104軸承尺寸規格
| 三螺栓圓形法蘭式軸承座單元,沖壓鋼外殼,帶緊定螺釘,ASPF型 - 尺寸 | |
| d | 1.2500 in 31.750 mm |
| H | 4.8125 in 122.0 mm |
| J | 3.9375 in 100.0 mm |
| A | 0.7812 in 20.0 mm |
| A1 | 0.2050 in 5.2 mm |
| N | 0.4375 in 11.0 mm |
| B | 1.3386 in 34.000 mm |
| S | 0.3346 in 8.500 mm |
| H1 | 3.1875 in 81.0 mm |
NTN ASPF207-104軸承尺寸圖
NTN ASPF207-104軸承同尺寸型號
| ASRPF206-104 | 詳細尺寸,d:31.750mm,h:122.00000mm,c:5.200mm,b:20.000mm,j:100.000mm |
| JELPF207-104 | 詳細尺寸,d:31.750mm,h:122.00000mm,c:5.200mm,b:20.000mm,j:100.000mm |
| AELRPF206-104 | 詳細尺寸,d:31.750mm,h:122.00000mm,c:5.200mm,b:20.000mm,j:100.000mm |
| AELPF207-104 | 詳細尺寸,d:31.750mm,h:122.00000mm,c:5.200mm,b:20.000mm,j:100.000mm |
| ASPF207-104 | 詳細尺寸,d:31.750mm,h:122.00000mm,c:5.200mm,b:20.000mm,j:100.000mm |
| 共計找到5條記錄 | |
NTN ASPF207-104軸承相關配件/適用型號
| AS207-104 | 詳細尺寸,d:31.750mm,dD:72.000mm,c:17.000mm,b:34.000mm,r:1.500mm |
NTN ASPF207-104軸承在售型號
| 在售型號 | 庫存數量 | 市場價 |
| ASPF207-104 | 1709 | 62.59 |
| 注:可直接聯系銷售人員了解詳情。 | ||
NTN軸承推薦
| NTN 6001JRXLU軸承 | 描述:軸承型號:6001LU,單列深溝球軸承 - 單面密封(接觸式橡膠密封) |
| NTN 63/32LLB軸承 | 描述:軸承型號:63/32LLB,單列深溝球軸承 - 雙面密封(非接觸式橡膠密封) |
| NTN 6308LLU軸承 | 描述:軸承型號:6308LLU,單列深溝球軸承 - 雙面密封(接觸式橡膠密封) |
| NTN AR206-103軸承 | 描述:軸承型號:AR206-103,帶緊定螺釘的外球面軸承,狹窄內圈 - 球面外圈 |
| NTN UC207-104D1LLJ軸承 | 描述:軸承型號:UC207-104D1LLJ,帶緊定螺釘的外球面軸承,寬外圈 - 球面外圈 |
| NTN UC210HT2D1軸承 | 描述:軸承型號:UC210HT2D1,帶緊定螺釘的外球面軸承,寬外圈 - 球面外圈 |
| NTN LM245846軸承 | 描述:軸承型號:LM245846,圓錐滾子軸承內圈 - 英制系列和J系列 |
| NTN N226G1C3軸承 | 描述:軸承型號:N226G1C3,圓柱滾子軸承 -內圈帶兩個加強筋,可分離型,普通外圈 - N型 |
| NTN KRVU30XLL軸承 | 描述:軸承型號:KRVU30XLL,凸輪從動螺柱式滾輪軸承 - 圓柱內徑,KRVU..LL型 |
| NTN DCL2416軸承 | 描述:軸承型號:DCL2416,沖壓外圈滾針軸承 - DCL型 |
進口軸承推薦
| NACHI 6313軸承 | 描述:2.08 kg,單列深溝球軸承 |
| FAG 22211ES.TVPB軸承 | 描述:0.802 kg,調心滾子軸承 |
| FAG 22309HL.MB軸承 | 描述:1.3 kg,調心滾子軸承 |
| FAG 21309E1.C3軸承 | 描述:0.998 kg,調心滾子軸承(X-life品質) |
| SKF 6020NR軸承 | 描述:1.25 kg,單列深溝球軸承 |
MCGILL軸承推薦
| MCGILL MCF62ABX軸承 | 基本尺寸,內徑:0.00000mm,外徑:62.00000mm,厚度:29.00000mm。 |
| MCGILL ROLLWAY-NU218EMC3軸承 | 基本尺寸,內徑:90.00000mm,外徑:160.00000mm,厚度:30.00000mm。 |
| MCGILL BCCF2S軸承 | 基本尺寸,內徑:0.00000mm,外徑:50.80000mm,厚度:31.75000mm。 |
| MCGILL CCFH1.7/8軸承 | 基本尺寸,內徑:0.00000mm,外徑:47.63000mm,厚度:25.40000mm。 |
| MCGILL RS8軸承 | 基本尺寸,內徑:1.00000mm,外徑:1.81250mm,厚度:1.06250mm。 |

