MCGILL ROLLWAY-E5318U軸承尺寸、參數與圖紙
| 基本尺寸 (mm) | |
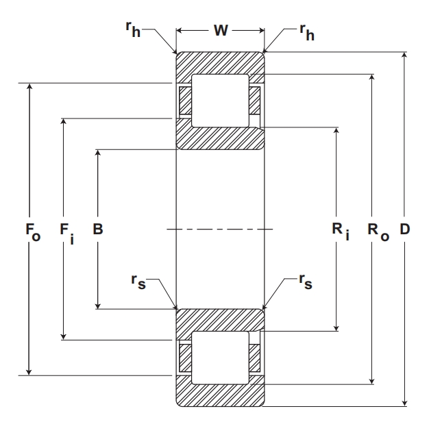
| 軸承內徑 B | 90 |
| 軸承外徑 D | 190 |
| 軸承厚度 W | 73 |
| 內圈倒角半徑 Rs | 2.5 |
| 外圈倒角半徑 Rh | 2.5 |
| 內圈法蘭擋肩外徑 Fi | 123.4 |
| 內圈外徑 Ri | 114 |
| 外圈法蘭擋肩內徑 Fo | 156.2 |
| 外圈內徑 Ri | 165.3 |
| 重量(kg) | |
| 10 | |
| 載荷(N) | |
| 基本動載荷 | 490202 |
| 基本靜載荷 | 659859 |
MCGILL軸承推薦
| MCGILL ROLLWAY-MUC232軸承 | 基本尺寸,內徑:160.00000mm,外徑:290.00000mm,厚度:48.00000mm。 |
| MCGILL BCCFE3-1/4SB軸承 | 基本尺寸,內徑:0.00000mm,外徑:82.55000mm,厚度:44.45000mm。 |
| MCGILL CCFE9/16軸承 | 基本尺寸,內徑:0.00000mm,外徑:14.29000mm,厚度:9.53000mm。 |
| MCGILL MCYRD15軸承 | 基本尺寸,內徑:15.00000mm,外徑:35.00000mm,厚度:18.00000mm。 |
| MCGILL MCF-16-SB軸承 | 基本尺寸,內徑:0.00000mm,外徑:16.00000mm,厚度:11.00000mm。 |
FAG軸承推薦
| FAG 4306-BB-TVH軸承 | FAG 4306-BB-TVH軸承,市場價:¥151.88元,當前庫存85套,添加時間:2023-08-16 21:25:35 |
| FAG 24032-BE-XL-C4軸承 | FAG 24032-BE-XL-C4軸承,市場價:¥1390.37元,當前庫存283套,添加時間:2023-08-20 13:56:32 |
| FAG NN3021-D-K-TVP-SP-XL軸承 | FAG NN3021-D-K-TVP-SP-XL軸承,市場價:¥2650.66元,當前庫存7套,添加時間:2023-08-21 21:30:45 |
| FAG 7008-B-XL-TVP軸承 | FAG 7008-B-XL-TVP軸承,市場價:¥348.04元,當前庫存50套,添加時間:2023-08-17 20:06:28 |
| FAG UCP215-J7軸承 | FAG UCP215-J7軸承,市場價:¥809.58元,當前庫存18套,添加時間:2023-08-22 15:38:44 |
IKO軸承推薦
| IKO TAF283730軸承 | 基本尺寸,內徑:28.00000mm,外徑:37.00000mm,厚度:30.00000mm。 |
| IKO CF6G軸承 | 基本尺寸,內徑:6.00000mm,外徑:16.00000mm,厚度:11.00000mm。 |
| IKO NUCF12BR軸承 | 基本尺寸,內徑:12.00000mm,外徑:30.00000mm,厚度:14.00000mm。 |
| IKO TA3825Z軸承 | 基本尺寸,內徑:38.00000mm,外徑:48.00000mm,厚度:25.00000mm。 |
| IKO CF-RU1-12-1軸承 | 基本尺寸,內徑:12.00000mm,外徑:32.00000mm,厚度:14.00000mm。 |

