NTN UELFLU-1.1/16軸承技術規格
| 類型 | 雙螺栓菱形法蘭式軸承座單元 |
| 軸承類型 | 滾珠軸承 |
| 鎖緊裝置 | 偏心鎖緊套 |
| 密封型式 | 接觸式 |
| 密封圈材質 | 丁腈橡膠 |
| 軸承型號 | A-UEL206-101D1 |
| 軸承座型號 | FLU206D1V50 |
| 殼體材質 | 鑄鐵 |
| 殼體鑄造型式 | 一體成型 |
| 端蓋類型 | 開式 |
| 表面涂層 | 黑色氧化物 |
| 性能 | 輕型 |
| 基本額定動載荷 | 4400 lbf 19500 N 19.50 kN |
| 基本額定靜載荷 | 2540 lbf 11300 N 11.30 kN |
| 最大擰緊力矩 | 86磅·英寸 |
| 應用溫度范圍 | -40 to 250 oF -40 to 120 oC |
| 潤滑方式 | 可再潤滑 |
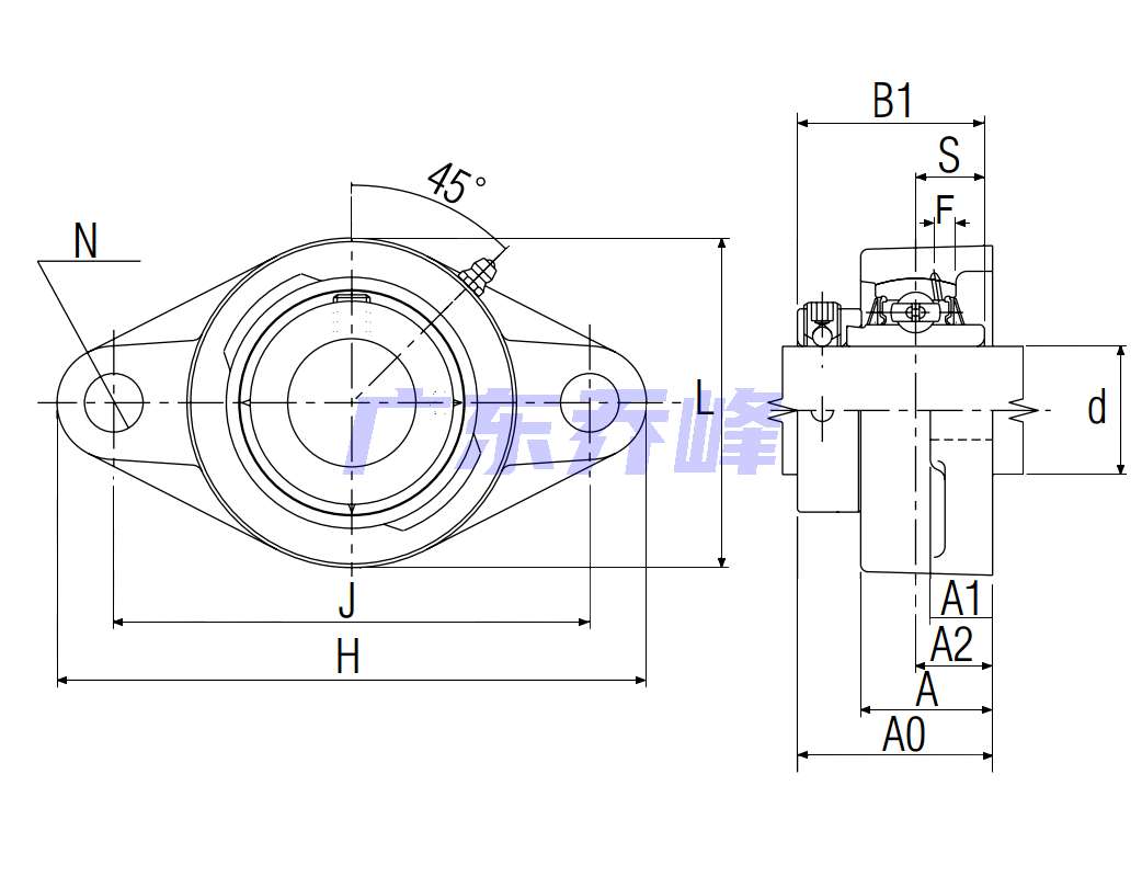
NTN UELFLU-1.1/16軸承尺寸規格
| 超一流雙螺栓法蘭式軸承座 - 帶偏心鎖緊套,UELFLU型 - 尺寸 | |
| d | 1-1/16 in 26.988 mm |
| H | 5.5938 in 142.1 mm |
| E | 4.5938 in 116.7 mm |
| L | 3.2813 in 83.3 mm |
| A | 1.3125 in 33.3 mm |
| A0 | 1.9688 in 50.000 mm |
| A1 | 0.6250 in 15.9 mm |
| A2 | 0.7813 in 19.8 mm |
| N | 0.4531 in 11.5 mm |
| B1 | 1.9055 in 48.400 mm |
| S | 0.7205 in 18.300 mm |
| F | 0.1811 in 4.600 mm |
NTN UELFLU-1.1/16軸承尺寸圖
NTN UELFLU-1.1/16軸承同尺寸型號
| UELFLU-1.1/16 | 詳細尺寸,d:26.988mm,h:142.10001mm,b:33.300mm,r:83.300mm |
| UCFLU-1.1/16 | 詳細尺寸,d:26.988mm,h:142.10001mm,b:33.300mm,j:116.700mm,r:83.300mm |
| 共計找到2條記錄 | |
NTN UELFLU-1.1/16軸承相關配件/適用型號
| A-UEL206-101D1 | 詳細尺寸,d:26.988mm,dD:62.000mm,c:19.000mm,b:48.400mm,r:1.000mm |
NTN軸承推薦
| NTN 6002LU/5C軸承 | 描述:軸承型號:6002LU/5C,單列深溝球軸承 - 單面密封(接觸式橡膠密封) |
| NTN 63211ZZC3/EM軸承 | 描述:軸承型號:63211ZZC3/EM,單列深溝球軸承 - 雙面防塵蓋 |
| NTN 6214ZZNR軸承 | 描述:軸承型號:6214ZZNR,單列深溝球軸承 - 雙面防塵蓋帶止動環 |
| NTN AC-6300LLUC3軸承 | 描述:軸承型號:AC-6300LLUC3,AC軸承 - 雙面密封(接觸式橡膠密封) |
| NTN 7001UAD軸承 | 描述:軸承型號:7001UAD,單列角接觸球軸承 - Ultage系列 |
| NTN UCX16-302軸承 | 描述:軸承型號:UCX16-302,帶緊定螺釘的外球面軸承,寬外圈 - 球面外圈 |
| NTN 39573/39521軸承 | 描述:軸承型號:39573/39521,圓錐滾子軸承 - 英制系列和J系列 |
| NTN 80222軸承 | 描述:軸承型號:80222,圓錐滾子軸承外圈 - 英制系列和J系列 |
| NTN NU306G1軸承 | 描述:軸承型號:NU306G1,圓柱滾子軸承 -可分離型,普通內圈,外圈帶兩個加強筋 - NU型 |
| NTN 23176BL1D1軸承 | 描述:軸承型號:23176BL1W33,調心滾子軸承 - 圓柱孔&注油槽,231系列 |
進口軸承推薦
| TIMKEN 23144EMBW507C08軸承 | 描述:54.2 kg,調心滾子軸承 |
| NTN 22315BKC3軸承 | 描述:4.85 kg,調心滾子軸承 |
| FAG 6205-H-2Z-C3軸承 | 描述:0.13 kg,單列深溝球軸承 |
| NKE 22309-K-C3-W33軸承 | 描述:1.3 kg,調心滾子軸承 |
| NMB L-1790ZZ R軸承 | 描述:0.004 kg,單列深溝球軸承 |
MCGILL軸承推薦
| MCGILL MCF80SB軸承 | 基本尺寸,內徑:0.00000mm,外徑:80.00000mm,厚度:35.00000mm。 |
| MCGILL CCFH5SB軸承 | 基本尺寸,內徑:0.00000mm,外徑:127.00000mm,厚度:69.85000mm。 |
| MCGILL CCF1-7/8-SB軸承 | 基本尺寸,內徑:0.00000mm,外徑:47.63000mm,厚度:25.40000mm。 |
| MCGILL CYR4S軸承 | 基本尺寸,內徑:31.75000mm,外徑:101.60000mm,厚度:57.15000mm。 |
| MCGILL GR26SS+MI21軸承 | 基本尺寸,內徑:1.62500mm,外徑:2.18750mm,厚度:1.25000mm。 |

