NTN UCFE202D1軸承技術規格
| 類型 | 雙螺栓菱形法蘭式軸承座單元 |
| 軸承類型 | 滾珠軸承 |
| 鎖緊裝置 | 緊定螺釘 |
| 密封型式 | 接觸式 |
| 密封圈材質 | 丁腈橡膠 |
| 軸承型號 | UC202D1 |
| 軸承座型號 | FE204D1 |
| 殼體材質 | 球墨鑄鐵 |
| 表面涂層 | 延性鑄件 |
| 殼體鑄造型式 | 一體成型 |
| 端蓋類型 | 開式 |
| 性能 | 輕型 |
| 基本額定動載荷 | 2880 lbf 12800 N 12.80 kN |
| 基本額定靜載荷 | 1500 lbf 6650 N 6.65 kN |
| 極限轉速 | 10000轉/分鐘 |
| 重量 | 0.900 lb 0.400 kg |
| 應用溫度范圍 | -40 to 250 oF -40 to 120 oC |
| 潤滑方式 | 可再潤滑 |
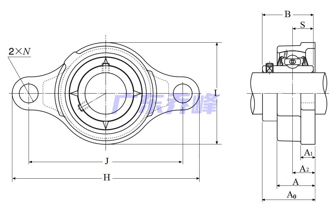
NTN UCFE202D1軸承尺寸規格
| 雙螺栓菱形法蘭式軸承座單元,延性鑄造外殼,帶緊定螺釘,UCFE型 - 尺寸 | |
| d | 0.5906 in 15.000 mm |
| H | 4.4094 in 112.0 mm |
| L | 2.2441 in 57.0 mm |
| J | 3.5433 in 90.0 mm |
| A | 0.9843 in 25.0 mm |
| A0 | 1.3110 in 33.300 mm |
| A1 | 0.3937 in 10.0 mm |
| A2 | 0.5906 in 15.0 mm |
| N | 0.4724 in 12.0 mm |
| B | 1.2205 in 31.000 mm |
| S | 0.5000 in 12.700 mm |
| F | 0.1850 in 4.700 mm |
NTN UCFE202D1軸承尺寸圖
NTN UCFE202D1軸承同尺寸型號
| UCFE202D1 | 詳細尺寸,d:15.000mm,h:112.00000mm,b:25.000mm,j:90.000mm,r:57.000mm |
| 共計找到1條記錄 | |
NTN UCFE202D1軸承相關配件/適用型號
| UC202D1 | 詳細尺寸,d:15.000mm,dD:47.000mm,c:18.000mm,b:31.000mm,r:0.600mm |
NTN軸承推薦
| NTN 6204LH軸承 | 描述:軸承型號:6204LH,單列深溝球軸承 - 單面密封(輕接觸橡膠密封) |
| NTN 7212BL1BG軸承 | 描述:軸承型號:7212BL1BG,單列角接觸球軸承 - 開式 |
| NTN HM807048軸承 | 描述:軸承型號:HM807048,圓錐滾子軸承內圈 - 英制系列和J系列 |
| NTN EE333140軸承 | 描述:軸承型號:EE333140,圓錐滾子軸承內圈 - 英制系列和J系列 |
| NTN 3526軸承 | 描述:軸承型號:3526,圓錐滾子軸承外圈 - 英制系列和J系列 |
| NTN M1226EL軸承 | 描述:軸承型號:M1226EL,帶保持架和滾子的外圈,兩個加強筋 |
| NTN NJ407G1軸承 | 描述:軸承型號:NJ407G1,圓柱滾子軸承 -可分離型內圈帶一個加強筋,外圈帶兩個加強筋 |
| NTN NH2218軸承 | 描述:軸承型號:NH2218,圓柱滾子軸承帶單擋邊內圈帶外圈&滾子組件,斜擋圈 - NH系列 |
| NTN MU5205CL軸承 | 描述:軸承型號:MU5205CL,圓柱滾子軸承 -內圈帶兩個加強筋,可分離型,普通外圈 |
| NTN MR1216EX軸承 | 描述:軸承型號:MR1216EX,圓柱滾子軸承 -可分離型內圈帶一個加強筋,外圈帶兩個加強筋 |
進口軸承推薦
| FAG 22330-E1A-K-M軸承 | 描述:41.2 kg,調心滾子軸承(X-life品質) |
| FAG 6203-C3軸承 | 描述:0.062 kg,開式更高(內部)間隙17x40x12mm |
| SKF 609-R軸承 | 描述:0.018 kg,單列深溝球軸承 |
| FAG 7224-B-XL-MP-UO軸承 | 描述:6.08 kg, UO設計單列角接觸球軸承(X-life品質) |
| SKF 6406/C3軸承 | 描述:0.76 kg,單列深溝球軸承 |
MCGILL軸承推薦
| MCGILL BCFE1-1/4SB軸承 | 基本尺寸,內徑:0.00000mm,外徑:31.75000mm,厚度:19.05000mm。 |
| MCGILL MR16SRS+MI12軸承 | 基本尺寸,內徑:1.00000mm,外徑:1.50000mm,厚度:1.00000mm。 |
| MCGILL RS24軸承 | 基本尺寸,內徑:3.00000mm,外徑:4.50000mm,厚度:1.37500mm。 |
| MCGILL MCF80SB軸承 | 基本尺寸,內徑:0.00000mm,外徑:80.00000mm,厚度:35.00000mm。 |
| MCGILL CCYR10S軸承 | 基本尺寸,內徑:108.08000mm,外徑:254.00000mm,厚度:133.35000mm。 |

