NTN UCF318D1軸承技術規格
| 類型 | 四螺栓方形法蘭式軸承座 |
| 軸承類型 | 滾珠軸承 |
| 鎖緊裝置 | 緊定螺釘 |
| 密封型式 | 接觸式 |
| 密封圈材質 | 丁腈橡膠 |
| 軸承型號 | UC318D1 |
| 軸承座型號 | F318D1 |
| 殼體材質 | 鑄鐵 |
| 殼體鑄造型式 | 一體成型 |
| 端蓋類型 | 開式 |
| 性能 | 重型 |
| 基本額定動載荷 | 32000 lbf 143000 N 143.00 kN |
| 基本額定靜載荷 | 24100 lbf 107000 N 107.00 kN |
| 極限轉速 | 1600轉/分鐘 |
| 重量 | 42.086 lb 19.090 kg |
| 應用溫度范圍 | -40 to 250 oF -40 to 120 oC |
| 潤滑方式 | 可再潤滑 |
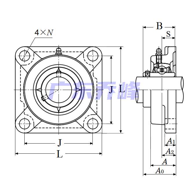
NTN UCF318D1軸承尺寸規格
| 四螺栓方形法蘭式軸承座,鑄造外殼,帶緊定螺釘,UCF型 - 尺寸 | |
| d | 3.5433 in 90.000 mm |
| L | 11.0313 in 280.0 mm |
| J | 8.5000 in 216.0 mm |
| A | 3.0000 in 76.0 mm |
| A0 | 3.9375 in 100.000 mm |
| A1 | 1.1875 in 30.0 mm |
| A2 | 1.7344 in 44.0 mm |
| N | 1.3750 in 35.0 mm |
| B | 3.7795 in 96.000 mm |
| S | 1.5748 in 40.000 mm |
| F | 0.4843 in 12.300 mm |
NTN UCF318D1軸承尺寸圖
NTN UCF318D1軸承同尺寸型號
| UCFS318D1 | 詳細尺寸,d:90.000mm,c:100.000mm,b:76.000mm,j:216.000mm,r:280.000mm |
| UCF318D1 | 詳細尺寸,d:90.000mm,c:100.000mm,b:76.000mm,j:216.000mm,r:280.000mm |
| 共計找到2條記錄 | |
NTN UCF318D1軸承相關配件/適用型號
| UC318D1 | 詳細尺寸,d:90.000mm,dD:190.000mm,c:49.000mm,b:96.000mm,r:3.000mm |
NTN UCF318D1軸承在售型號
| 在售型號 | 庫存數量 | 市場價 |
| UCF318D1 | 2520 | 999.74 |
| 注:可直接聯系銷售人員了解詳情。 | ||
NTN軸承推薦
| NTN 6306LLHN軸承 | 描述:軸承型號:6306LLHN,單列深溝球軸承 - 雙面密封(輕接觸式密封),帶止動環槽 |
| NTN 6013LBN軸承 | 描述:軸承型號:6013LBN,單列深溝球軸承 - 單面密封(非接觸式橡膠密封)帶止動環槽 |
| NTN 7021HV軸承 | 描述:軸承型號:7021HV,單列角接觸球軸承,高精度 |
| NTN MLE7010CVUJ74S軸承 | 描述:軸承型號:MLE7010CVUJ74S,密封角接觸球軸承 - 接觸角 25°,標準精度 |
| NTN UEL311-200D1軸承 | 描述:軸承型號:UEL311-200D1,帶偏心鎖緊套的外球面軸承,寬外圈 - 球面外圈 |
| NTN NJ309ET2X軸承 | 描述:軸承型號:NJ309ET2X,圓柱滾子軸承 -可分離型內圈帶一個加強筋,外圈帶兩個加強筋 |
| NTN N1024軸承 | 描述:軸承型號:N1024,圓柱滾子軸承 -內圈帶兩個加強筋,可分離型,普通外圈 - N型 |
| NTN K165X173X32軸承 | 描述:軸承型號:K165X173X32,滾針和保持架組件 |
| NTN K16X20X10軸承 | 描述:軸承型號:K16X20X10,滾針和保持架組件 |
| NTN 22207EMD1C3軸承 | 描述:軸承型號:22207EMW33C3,調心滾子軸承 - 圓柱孔&注油槽,222系列 |
進口軸承推薦
| FAFNIR WIR318KD軸承 | 描述:6.02 kg,單列深溝球軸承 |
| ROLLWAY 23260CAC3W33軸承 | 描述:198 kg,調心滾子軸承 |
| NACHI 22308EXW33軸承 | 描述:0.98 kg,調心滾子軸承 |
| SKF BB1B631122B軸承 | 描述:0.4 kg,單列深溝球軸承 |
| GMN 6301ZZ軸承 | 描述:0.061 kg,單列深溝球軸承 |
MCGILL軸承推薦
| MCGILL MR16N+MI12N軸承 | 基本尺寸,內徑:1.00000mm,外徑:1.50000mm,厚度:0.75000mm。 |
| MCGILL SB22313W33SS軸承 | 基本尺寸,內徑:65.00000mm,外徑:140.00000mm,厚度:48.00000mm。 |
| MCGILL CCFE5/8SB軸承 | 基本尺寸,內徑:0.00000mm,外徑:15.88000mm,厚度:11.11000mm。 |
| MCGILL BCFE1-1/8SB軸承 | 基本尺寸,內徑:0.00000mm,外徑:28.58000mm,厚度:15.88000mm。 |
| MCGILL CF5/8S軸承 | 基本尺寸,內徑:0.00000mm,外徑:15.88000mm,厚度:11.11000mm。 |

