NTN SUCFL202-10軸承技術規格
| 類型 | 雙螺栓菱形法蘭式軸承座單元 |
| 軸承類型 | 滾珠軸承 |
| 鎖緊裝置 | 緊定螺釘 |
| 密封型式 | 接觸式 |
| 密封圈材質 | 硅膠 |
| 軸承型號 | SUC202-10 |
| 軸承座型號 | SFL204N |
| 嵌入材質 | 不銹鋼 |
| 殼體材質 | 不銹鋼 |
| 殼體鑄造型式 | 一體成型 |
| 端蓋類型 | 開式 |
| 性能 | 正常 |
| 基本額定動載荷 | 2270 lbf 10100 N 10.10 kN |
| 基本額定靜載荷 | 1530 lbf 6800 N 6.80 kN |
| 極限轉速 | 5900轉/分鐘 |
| 重量 | 1.120 lb 0.510 kg |
| 應用溫度范圍 | -4 to 250 oF -20 to 120 oC |
| 潤滑方式 | 可再潤滑 |
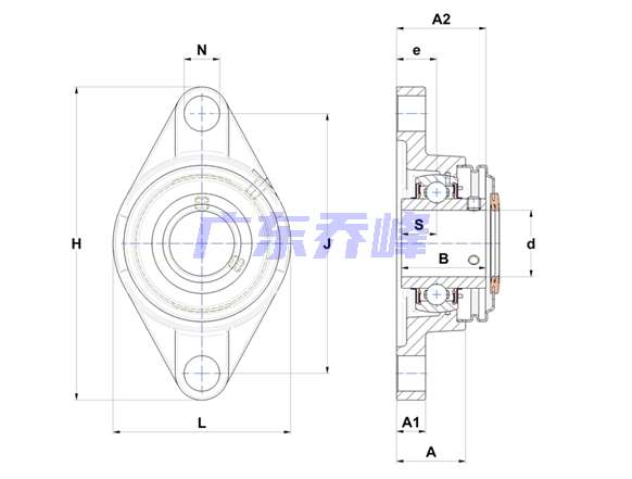
NTN SUCFL202-10軸承尺寸規格
| 雙螺栓菱形法蘭式軸承座單元,不銹鋼外殼,帶緊定螺釘,SUCFL型 - 尺寸 | |
| d | 0.6250 in 15.875 mm |
| H | 4.4100 in 112.0 mm |
| L | 2.3000 in 59.0 mm |
| J | 3.5400 in 90.0 mm |
| A | 1.0000 in 25.5 mm |
| A1 | 0.4700 in 12.0 mm |
| A2 | 1.3100 in 33.300 mm |
| e | 0.5900 in 15.0 mm |
| N | 0.4700 in 12.0 mm |
| B | 1.2205 in 31.000 mm |
| S | 0.5000 in 12.700 mm |
NTN SUCFL202-10軸承尺寸圖
NTN SUCFL202-10軸承同尺寸型號
| SUCFL202-10 | 詳細尺寸,d:15.875mm,h:112.00000mm,b:25.500mm,j:90.000mm,r:59.000mm |
| 共計找到1條記錄 | |
NTN SUCFL202-10軸承相關配件/適用型號
| SUC202-10 | 詳細尺寸,d:15.875mm,dD:47.000mm,c:17.000mm,b:31.000mm,r:0.500mm |
NTN軸承推薦
| NTN 6307LUC3軸承 | 描述:軸承型號:6307LUC3,單列深溝球軸承 - 單面密封(接觸式橡膠密封) |
| NTN 6007LLUC3/EM軸承 | 描述:軸承型號:6007LLUC3/EM,單列深溝球軸承 - 雙面密封(接觸式橡膠密封) |
| NTN 6211LBC3軸承 | 描述:軸承型號:6211LBC3,單列深溝球軸承 - 單面密封(非接觸式橡膠密封) |
| NTN 33211U軸承 | 描述:軸承型號:33211,圓錐滾子軸承 - 公制系列 |
| NTN M1317CAH軸承 | 描述:軸承型號:M1317CAH,普通外圈帶銷釘孔,不帶滾子 |
| NTN NJ311G1軸承 | 描述:軸承型號:NJ311G1,圓柱滾子軸承 -可分離型內圈帶一個加強筋,外圈帶兩個加強筋 |
| NTN NJ313ET2X軸承 | 描述:軸承型號:NJ313ET2X,圓柱滾子軸承 -可分離型內圈帶一個加強筋,外圈帶兩個加強筋 |
| NTN MU1924CL軸承 | 描述:軸承型號:MU1924CL,圓柱滾子軸承 -內圈帶兩個加強筋,可分離型,普通外圈 |
| NTN NK14/20R+1R10X14X20軸承 | 描述:軸承型號:NK14/20R+1R10X14X20,機加工滾針軸承帶內圈 - NA49.R,NA59,NA69R,NK.R+1R系列 |
| NTN 29280軸承 | 描述:軸承型號:29280,推力調心滾子軸承 |
進口軸承推薦
| NSK 6322C3E軸承 | 描述:10.13 kg,單列深溝球軸承 |
| INA 6319 2RS C3軸承 | 描述:5.97 kg,單列深溝球軸承 |
| RHP MJ5.1/2M+43軸承 | 描述:16 kg,單列深溝球軸承 |
| SKF 22311K/C3軸承 | 描述:2.2 kg,調心滾子軸承 |
| NKE 22324EW33軸承 | 描述:21 kg,調心滾子軸承 |
MCGILL軸承推薦
| MCGILL CCYR8-S軸承 | 基本尺寸,內徑:82.68000mm,外徑:203.20000mm,厚度:107.95000mm。 |
| MCGILL CYR1-1/2S軸承 | 基本尺寸,內徑:11.11000mm,外徑:38.10000mm,厚度:22.23000mm。 |
| MCGILL BCCF3S軸承 | 基本尺寸,內徑:0.00000mm,外徑:76.20000mm,厚度:44.45000mm。 |
| MCGILL MR18+MI14軸承 | 基本尺寸,內徑:1.12500mm,外徑:1.62500mm,厚度:1.00000mm。 |
| MCGILL BCCFE1-7/8SB軸承 | 基本尺寸,內徑:0.00000mm,外徑:47.63000mm,厚度:25.40000mm。 |

