NTN SM-UCTX06-104D1軸承技術規格
| 類型 | 滑塊式軸承座 |
| 軸承類型 | 滾珠軸承 |
| 鎖緊裝置 | 緊定螺釘 |
| 密封型式 | 接觸式 |
| 密封圈材質 | 丁腈橡膠 |
| 軸承型號 | UCX06-104D1 |
| 軸承座型號 | TX06D1 |
| 殼體材質 | 鑄鐵 |
| 性能 | 中型 |
| 基本額定動載荷 | 5800 lbf 25700 N 25.70 kN |
| 基本額定靜載荷 | 3450 lbf 15300 N 15.30 kN |
| 重量 | 4.400 lb 2.000 kg |
| 應用溫度范圍 | -40 to 250 oF -40 to 120 oC |
| 潤滑方式 | 可再潤滑 |
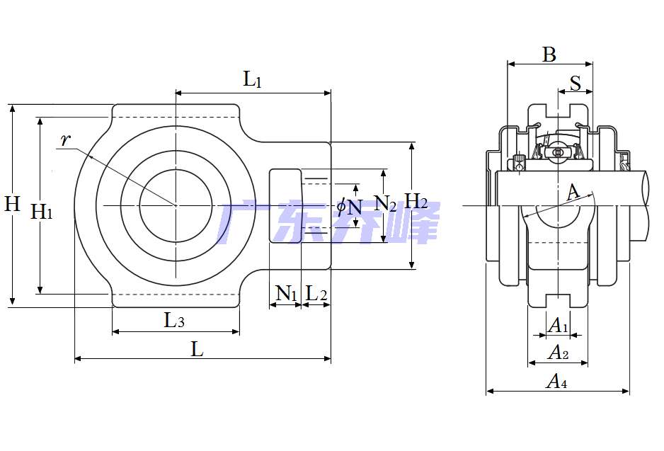
NTN SM-UCTX06-104D1軸承尺寸規格
| 滑塊式軸承座,鑄造外殼,帶緊定螺釘,壓制鋼防塵蓋,封閉端蓋,UCT型 - 尺寸 | |
| d | 1.2500 in 31.750 mm |
| L | 5.0937 in 129.0 mm |
| H | 4.0313 in 102.0 mm |
| A4 | 2.8437 in 72.000 mm |
| H1 | 3.5000 in 89.0 mm |
| H2 | 2.5312 in 64.0 mm |
| L1 | 3.0625 in 78.0 mm |
| L2 | 0.5937 in 15.0 mm |
| L3 | 2.5312 in 64.0 mm |
| N | 0.8750 in 22.0 mm |
| N1 | 0.6250 in 16.0 mm |
| N2 | 1.4687 in 37.0 mm |
| A | 1.4687 in 37.0 mm |
| A1 | 0.4724 in 12.0 mm |
| A2 | 1.1875 in 30.0 mm |
| r | 2.0000 in 51.0 mm |
| B | 1.6890 in 42.900 mm |
| S | 0.6890 in 17.500 mm |
| F | 0.1811 in 4.600 mm |
NTN SM-UCTX06-104D1軸承尺寸圖
NTN SM-UCTX06-104D1軸承同尺寸型號
| S-UCTX06-104D1 | 詳細尺寸,d:31.750mm,h:102.00000mm,be:72.000mm,r:129.000mm,r2max:89.000mm |
| SM-UCTX06-104D1 | 詳細尺寸,d:31.750mm,h:102.00000mm,be:72.000mm,r:129.000mm,r2max:89.000mm |
| S-UCT207-104D1 | 詳細尺寸,d:31.750mm,h:102.00000mm,be:72.000mm,r:129.000mm,r2max:89.000mm |
| SM-UCT207-104D1 | 詳細尺寸,d:31.750mm,h:102.00000mm,be:72.000mm,r:129.000mm,r2max:89.000mm |
| 共計找到4條記錄 | |
NTN SM-UCTX06-104D1軸承相關配件/適用型號
| UCX06-104D1 | 詳細尺寸,d:31.750mm,dD:72.000mm,c:22.000mm,b:42.900mm,r:1.000mm |
NTN軸承推薦
| NTN 62/28LLBNR軸承 | 描述:軸承型號:62/28LLBNR,單列深溝球軸承 - 雙面密封(非接觸式橡膠密封)帶止動環 |
| NTN 5304ST2ZZNR軸承 | 描述:軸承型號:5304T2ZZNR,雙列角接觸球軸承 - 雙面防塵蓋帶止動環 |
| NTN 7010HVQ16J74軸承 | 描述:軸承型號:7010HVQ16J74,三列角接觸球軸承,機床用,Q16系列 |
| NTN H715343/H715311軸承 | 描述:軸承型號:H715343/H715311,圓錐滾子軸承 - 英制系列和J系列 |
| NTN 42381軸承 | 描述:軸承型號:42381,圓錐滾子軸承內圈 - 英制系列和J系列 |
| NTN 32007X軸承 | 描述:軸承型號:32007X,圓錐滾子軸承 - 公制系列 |
| NTN AXA2117軸承 | 描述:軸承型號:AXA2117,雙列推力滾子軸承 - AXA型 |
| NTN 22340EMKD1C3軸承 | 描述:軸承型號:22340EMKW33C3,調心滾子軸承,帶圓錐孔&注油槽 |
| NTN 22212EAD1ZZ軸承 | 描述:軸承型號:22212EAW33ZZ,帶防塵蓋調心滾子軸承 - 圓柱孔 |
| NTN UELP316D1軸承 | 描述:軸承型號:UELP316D1,軸承座,鑄造外殼,帶偏心鎖緊套,UELP/UELPL型 |
進口軸承推薦
| NSK 6204ZZ CM/NS7軸承 | 描述:0.107 kg,單列深溝球軸承 |
| FAG 6321-M-J20軸承 | 描述:9.6 kg,單列深溝球軸承 |
| SNR 22348.VMKW33軸承 | 描述:143.1 kg,調心滾子軸承 |
| ROLLWAY 22213GMEXC3W33軸承 | 描述:1.51 kg,調心滾子軸承 |
| SKF 6010軸承 | 描述:0.261 kg,開式 50x80x16mm |
MCGILL軸承推薦
| MCGILL CFD3軸承 | 基本尺寸,內徑:0.00000mm,外徑:3.00000mm,厚度:1.75000mm。 |
| MCGILL MCYRR10S軸承 | 基本尺寸,內徑:10.00000mm,外徑:30.00000mm,厚度:14.00000mm。 |
| MCGILL MR68+MI60軸承 | 基本尺寸,內徑:4.25000mm,外徑:5.25000mm,厚度:2.00000mm。 |
| MCGILL CYR1-1/4S軸承 | 基本尺寸,內徑:9.53000mm,外徑:31.75000mm,厚度:19.05000mm。 |
| MCGILL CCFD1-1/4軸承 | 基本尺寸,內徑:0.00000mm,外徑:1.25000mm,厚度:0.75000mm。 |

