NTN SFCW2228-500N1軸承技術規格
| 類型 | 四螺栓圓形法蘭式軸承座 |
| 軸承類型 | 調心滾子軸承 |
| 鎖緊裝置 | 緊定襯套 |
| 密封圈材質 | 丁腈橡膠 |
| 軸承型號 | MX-W22228EALLKD1C3 |
| 軸承座型號 | SFC228N1 |
| 緊定襯套型號 | HE2328M1 |
| 殼體材質 | 球墨鑄鐵 |
| 殼體鑄造型式 | 一體成型 |
| 性能 | 重型 |
| 端蓋類型 | 開式 |
| 基本額定動載荷 | 205000 lbf 912000 N 912.00 kN |
| 基本額定靜載荷 | 227000 lbf 1010000 N 1010.00 kN |
| 極限轉速 | 1100轉/分鐘 |
| 應用溫度范圍 | -40 to 400 oF -40 to 200 oC |
| 潤滑方式 | 可再潤滑 |
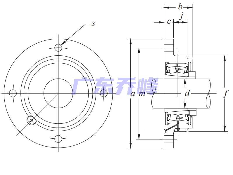
NTN SFCW2228-500N1軸承尺寸規格
| 密封球面法蘭式軸承座單元,SFCW系列 - 尺寸 | |
| d | 5.0000 in 127.000 mm |
| a | 17.7165 in 450.0 mm |
| b | 4.7244 in 120.0 mm |
| c | 1.7717 in 45.0 mm |
| m | 15.1575 in 385.0 mm |
| f | 12.1569 in 310.0 mm |
| j | 2.2047 in 56.0 mm |
| s | 1.3780 in 35.0 mm |
| 注意 | 銷售圖紙反映的是不帶緊定襯套的尺寸,實際上是帶的,因此需要注意。如不能很好把握,可直接致電020-81178086咨詢我們。 |
NTN SFCW2228-500N1軸承尺寸圖
NTN SFCW2228-500N1軸承安裝指南
| 軸向位移 - Min. | 0.043 in |
| 軸向位移 - Max. | 0.055 in |
| 推薦的鎖緊螺母旋轉角度 | 210 o |
| 液壓 - Min. | 3300 lb/in2 |
| 液壓 - Max. | 4550 lb/in2 |
NTN SFCW2228-500N1軸承同尺寸型號
| C-SFCW2228-500N1 | 詳細尺寸,d:127.000mm,f:450.000mm,c:45.000mm,b:120.000mm,:385.000mm |
| SFCW2228-500N1 | 詳細尺寸,d:127.000mm,f:450.000mm,c:45.000mm,b:120.000mm,:385.000mm |
| 共計找到2條記錄 | |
NTN SFCW2228-500N1軸承相關配件/適用型號
| MX-W22228EALLKD1C3 | 詳細尺寸,d:140.000mm,dD:250.000mm,b:88.000mm,r:1.500mm |
NTN軸承推薦
| NTN AC-6001C3軸承 | 描述:軸承型號:AC-6001C3,AC軸承 - 開式 |
| NTN 7214BL1BG軸承 | 描述:軸承型號:7214BL1BG,單列角接觸球軸承 - 開式 |
| NTN 663A/653軸承 | 描述:軸承型號:663A/653,圓錐滾子軸承 - 英制系列和J系列 |
| NTN NN3036C1NAP5軸承 | 描述:軸承型號:NN3036C1NAP5,雙列圓柱滾子軸承 - 圓柱孔 - NN型 |
| NTN CRV44H軸承 | 描述:軸承型號:CRV44H,凸輪從動螺柱式滾輪軸承 - 球面外圈,CRV..H型 |
| NTN KRV26FH軸承 | 描述:軸承型號:KRV26FH,凸輪從動螺柱式滾輪軸承 - 球面外圈,KRV..H型 |
| NTN 1R35X42X21軸承 | 描述:軸承型號:1R35X42X21,內圈 |
| NTN NKXR20T2+1R17X20X20軸承 | 描述:軸承型號:NKXR20T2+1R17X20X20,滾針和推力圓柱滾子組合軸承 - 開式帶內圈 |
| NTN 29413軸承 | 描述:軸承型號:29413,推力調心滾子軸承 |
| NTN UKFL206D1 (when used with H2306X)軸承 | 描述:軸承型號:UKFL206D1(配合軸承:H2306X),雙螺栓菱形法蘭式軸承座單元,鑄造外殼,帶緊定襯套,UKFL型 |
進口軸承推薦
| NTN 6017Z軸承 | 描述:0.894 kg,單列深溝球軸承 |
| FAG 22310E1K.C3軸承 | 描述:1.7 kg,調心滾子軸承(X-life品質) |
| SNR 7207B軸承 | 描述:0.2716 kg, 單列角接觸球軸承 |
| SKF 6003-2RS1軸承 | 描述:0.039 kg,單列深溝球軸承 |
| SKF 230/670CAK/C083W506軸承 | 描述:563 kg,調心滾子軸承 |
MCGILL軸承推薦
| MCGILL SB22210KW33YSS軸承 | 基本尺寸,內徑:50.00000mm,外徑:90.00000mm,厚度:23.00000mm。 |
| MCGILL MR28NDS+MI24N軸承 | 基本尺寸,內徑:1.75000mm,外徑:2.31250mm,厚度:1.00000mm。 |
| MCGILL MR60SS+MI52軸承 | 基本尺寸,內徑:3.75000mm,外徑:4.75000mm,厚度:2.00000mm。 |
| MCGILL ROLLWAY-NU2216EMC3軸承 | 基本尺寸,內徑:80.00000mm,外徑:140.00000mm,厚度:33.00000mm。 |
| MCGILL CCFE1-5/8-SB軸承 | 基本尺寸,內徑:0.00000mm,外徑:41.28000mm,厚度:22.23000mm。 |

