NTN NUKRT62軸承技術規格
| 類型 | 凸輪從動軸承 |
| 材質 | 淬透鋼 |
| 螺紋類型 | 公制 |
| 保持架材質 | 無 |
| 極限轉速-脂潤滑 | 2900轉/分鐘 |
| 滾子型式 | 球面 |
| 螺柱類型 | 公制 |
| 軸承類型 | 滾針軸承 |
| 外圈類型 | 球面 |
| 附件 | 防塵蓋 |
| 驅動裝置型式 | 插入式 |
| 結構 | 單列 |
| 扭矩 | 178.0 N ·m |
| 基本額定靜載荷 | 16300 lbf 72500 N |
| 基本額定動載荷 | 12700 lbf 56500 N |
| 軌道額定載荷 | 1560 lbf 6950 N |
| 重量 | 1.753 lb 0.795 kg |
| 應用溫度范圍 | -40 to 250 oF -40 to 120 oC |
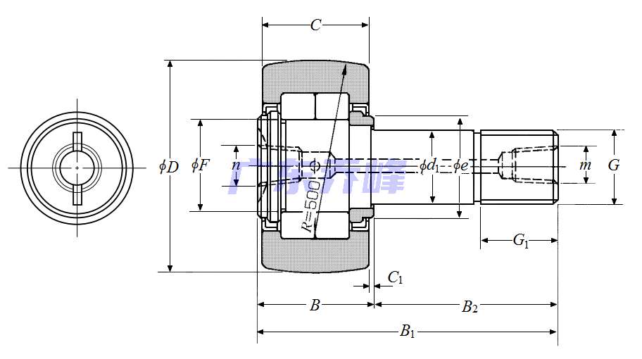
NTN NUKRT62軸承尺寸規格
| 凸輪從動螺柱式滾輪軸承 - 球面外圈,NUKRT型 - 尺寸 | |
| G | M24x1.5 |
| B1 | 3.1496 in 80.000 mm |
| B2 | 1.9488 in 49.500 mm |
| D | 2.4409 in 62.000 mm |
| D公差 | 0/-0.0020 in 0/-0.050 mm |
| B | 1.2008 in 30.500 mm |
| C | 1.1417 in 29.000 mm |
| d1 | 0.9449 in 24.000 mm |
| d1公差 | 0/-0.0008 in 0/-0.021 mm |
| G1 | 0.9843 in 25.000 mm |
| e | 1.4961 in 38.000 mm |
| F | 1.3780 in 35.000 mm |
| C1 | 0.0315 in 0.800 mm |
| n | PT1/8 |
| m | PT1/8 |
| 注油嘴尺寸 | A-PT1/8 |
NTN NUKRT62軸承尺寸圖
NTN軸承推薦
| NTN EC-6000軸承 | 描述:軸承型號:EC-6000,膨脹補償軸承 - 開式 |
| NTN 71938HV軸承 | 描述:軸承型號:71938HV,單列角接觸球軸承,高精度 |
| NTN MLCH7012CV軸承 | 描述:軸承型號:MLCH7012CV,高速,單列混合陶瓷角接觸球軸承,高精度 |
| NTN AS201-008D1軸承 | 描述:軸承型號:AS201-008D1,帶緊定螺釘的外球面軸承,狹窄內圈 - 球面外圈 |
| NTN UCS206-102LD1N軸承 | 描述:軸承型號:UCS206-102LD1N,帶緊定螺釘的外球面軸承,寬外圈 - 圓柱內徑,帶止動環槽 |
| NTN UEL214-210D1軸承 | 描述:軸承型號:UEL214-210D1,帶偏心鎖緊套的外球面軸承,寬外圈 - 球面外圈 |
| NTN 594A/592XE軸承 | 描述:軸承型號:594A/592XE,圓錐滾子軸承 - 英制系列和J系列 |
| NTN NU2210EG1軸承 | 描述:軸承型號:NU2210EG1,圓柱滾子軸承 -可分離型,普通內圈,外圈帶兩個加強筋 - NU型 |
| NTN NUP2224E軸承 | 描述:軸承型號:NUP2224E,圓柱滾子軸承 -可分離型,短內圈帶一個加強筋,帶側板,外圈帶兩個加強筋 |
| NTN MA5213EV軸承 | 描述:軸承型號:MA5213EV,圓柱滾子軸承 -可分離型,普通內圈,外圈帶兩個加強筋 |
進口軸承推薦
| FAG 6310-H-2RSR-SN-C3軸承 | 描述:1.103 kg,單列深溝球軸承 |
| FAG 6308.2ZR.T軸承 | 描述:0.643 kg,單列深溝球軸承 |
| SKF 23040CC/C3軸承 | 描述:22.178 kg,調心滾子軸承 |
| KOYO 23148RKW33C3FY軸承 | 描述:65 kg,調心滾子軸承 |
| NSK 6211ZZ C4軸承 | 描述:0.617 kg, |
MCGILL軸承推薦
| MCGILL CCYR7-S軸承 | 基本尺寸,內徑:69.85000mm,外徑:177.80000mm,厚度:95.25000mm。 |
| MCGILL BCCF1SB軸承 | 基本尺寸,內徑:0.00000mm,外徑:25.40000mm,厚度:15.88000mm。 |
| MCGILL GR44+MI36軸承 | 基本尺寸,內徑:2.75000mm,外徑:3.50000mm,厚度:1.75000mm。 |
| MCGILL ROLLWAY-NU2310EMC3軸承 | 基本尺寸,內徑:50.00000mm,外徑:110.00000mm,厚度:40.00000mm。 |
| MCGILL BCFE11/16S軸承 | 基本尺寸,內徑:0.00000mm,外徑:17.46000mm,厚度:11.11000mm。 |

