NTN NUKR160X軸承技術規格
| 類型 | 凸輪從動軸承 |
| 材質 | 淬透鋼 |
| 螺紋類型 | 公制 |
| 保持架材質 | 無 |
| 極限轉速-脂潤滑 | 1200轉/分鐘 |
| 滾子型式 | 圓柱型 |
| 螺柱類型 | 公制 |
| 軸承類型 | 滾針軸承 |
| 外圈類型 | 圓柱型 |
| 附件 | 防塵蓋 |
| 驅動裝置型式 | 插入式 |
| 結構 | 單列 |
| 扭矩 | 2480.0 N ·m |
| 基本額定靜載荷 | 90000 lbf 400000 N |
| 基本額定動載荷 | 61500 lbf 274000 N |
| 軌道額定載荷 | 43500 lbf 194000 N |
| 重量 | 25.794 lb 11.700 kg |
| 應用溫度范圍 | -40 to 250 oF -40 to 120 oC |
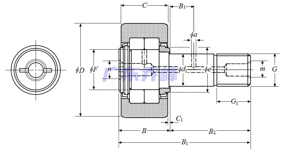
NTN NUKR160X軸承尺寸規格
| 凸輪從動螺柱式滾輪軸承 - 圓柱內徑,NUKR型 - 尺寸 | |
| G | M56x3 |
| B1 | 7.0866 in 180.000 mm |
| B2 | 4.4488 in 113.000 mm |
| D | 6.2992 in 160.000 mm |
| D公差 | 0/-0.0020 in 0/-0.050 mm |
| B | 2.6378 in 67.000 mm |
| C | 2.4803 in 63.000 mm |
| d1 | 2.2047 in 56.000 mm |
| d1公差 | 0/-0.0012 in 0/-0.030 mm |
| G1 | 2.2835 in 58.000 mm |
| e | 3.5236 in 89.500 mm |
| F | 3.1693 in 80.500 mm |
| C1 | 0.0787 in 2.000 mm |
| n | 0.3150 in 8.000 mm |
| m | PT1/8 |
| 注油嘴尺寸 | A-PT1/8 |
NTN NUKR160X軸承尺寸圖
NTN軸承推薦
| NTN FL624Z軸承 | 描述:軸承型號:FL624Z,單列深溝球軸承帶法蘭外圈 - 單面防塵蓋 |
| NTN 6210LLBNRC3軸承 | 描述:軸承型號:6210LLBNRC3,單列深溝球軸承 - 雙面密封(非接觸式橡膠密封)帶止動環 |
| NTN 7MC3-6320C3軸承 | 描述:軸承型號:7MC3-6320C3,絕緣單列深溝球軸承 - 開式 |
| NTN 7210HG1UJ84軸承 | 描述:軸承型號:7210HG1UJ84,單列角接觸球軸承,高精度 |
| NTN 597A/592XS軸承 | 描述:軸承型號:597A/592XS,圓錐滾子軸承 - 英制系列和J系列 |
| NTN L217810軸承 | 描述:軸承型號:L217810,圓錐滾子軸承外圈 - 英制系列和J系列 |
| NTN 32220U軸承 | 描述:軸承型號:32220,圓錐滾子軸承 - 公制系列 |
| NTN MU1012L軸承 | 描述:軸承型號:MU1012L,內圈帶滾子帶兩個加強筋 |
| NTN NJ316EG1C4軸承 | 描述:軸承型號:NJ316EG1C4,圓柱滾子軸承 -可分離型內圈帶一個加強筋,外圈帶兩個加強筋 |
| NTN CRV22XLL軸承 | 描述:軸承型號:CRV22XLL,凸輪從動螺柱式滾輪軸承 - 圓柱內徑,CRV..LL型 |
進口軸承推薦
| NTN 6808ZZ軸承 | 描述:0.034 kg,單列深溝球軸承 |
| SNR 7011C P4軸承 | 描述:0.37 kg, 單列角接觸球軸承 |
| FAG 22219E1K.C4軸承 | 描述:3.79 kg,調心滾子軸承(X-life品質) |
| SNR 6011.E軸承 | 描述:0.381 kg,單列深溝球軸承 |
| RHP 6012ZZJ C3+6軸承 | 描述:0.412 kg,單列深溝球軸承 |
MCGILL軸承推薦
| MCGILL ROLLWAY-NU215EMC3軸承 | 基本尺寸,內徑:75.00000mm,外徑:130.00000mm,厚度:25.00000mm。 |
| MCGILL CCYR1-5/8S軸承 | 基本尺寸,內徑:11.11000mm,外徑:41.28000mm,厚度:22.23000mm。 |
| MCGILL MCFRE90SB軸承 | 基本尺寸,內徑:0.00000mm,外徑:90.00000mm,厚度:35.00000mm。 |
| MCGILL CCF1SB軸承 | 基本尺寸,內徑:0.00000mm,外徑:25.40000mm,厚度:15.88000mm。 |
| MCGILL MR16SRS+MI12軸承 | 基本尺寸,內徑:1.00000mm,外徑:1.50000mm,厚度:1.00000mm。 |

