NTN NATR17X40X21軸承技術規格
| 類型 | 擋圈型滾輪軸承 |
| 滾子型式 | 滾針 |
| 軸承類型 | 滾針軸承 |
| 材質 | 高碳鉻鋼 |
| 保持架材質 | 鋼 |
| 外圈類型 | 圓柱型 |
| 極限轉速-油潤滑 | 9000轉/分鐘 |
| 極限轉速-脂潤滑 | 7000轉/分鐘 |
| 附件 | 開式 |
| 基本額定靜載荷 | 5150 lbf 22800 N 22.80 kN |
| 基本額定動載荷 | 3150 lbf 14000 N 14.00 kN |
| 軌道額定載荷 | 3250 lbf 14500 N |
| 重量 | 0.309 lb 0.140 kg |
| 應用溫度范圍 | -40 to 250 oF -40 to 120 oC |
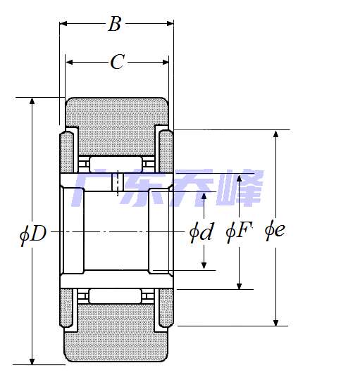
NTN NATR17X40X21軸承尺寸規格
| 擋圈型滾輪軸承 - 帶內圈,NATR型,圓柱內徑 - 尺寸 | |
| d | 0.6693 in 17.000 mm |
| D(0/-0.050) | 1.5748 in 40.000 mm |
| F | 0.8661 in 22.000 mm |
| e | 1.2598 in 32.000 mm |
| C | 0.7874 in 20.000 mm |
| B | 0.8268 in 21.000 mm |
| B公差 | 0/-0.210 mm |
NTN NATR17X40X21軸承尺寸圖
NTN軸承推薦
| NTN 63/32LUNC3軸承 | 描述:軸承型號:63/32LUNC3,單列深溝球軸承 - 單面密封(接觸式橡膠密封)帶止動環槽 |
| NTN 6212T2LBAC4/L683軸承 | 描述:軸承型號:6212T2LBAC4/L683,單列深溝球軸承 - 雙面密封(非接觸式橡膠密封) |
| NTN 6313ZZNRC3軸承 | 描述:軸承型號:6313ZZNRC3,單列深溝球軸承 - 雙面防塵蓋帶止動環 |
| NTN 2212SC3軸承 | 描述:軸承型號:2212C3,自調心球軸承 - 圓柱孔 |
| NTN 8604軸承 | 描述:軸承型號:8604,單列深溝球軸承 - 單面密封(接觸式橡膠密封),8000系列 |
| NTN REL211軸承 | 描述:軸承型號:REL211,帶偏心鎖緊套的外球面軸承,寬外圈 - 球面外圈 |
| NTN 562026M/GNP5軸承 | 描述:軸承型號:562026M/GNP5,雙向推力角接觸球軸承 |
| NTN 37431A/37624軸承 | 描述:軸承型號:37431A/37624,圓錐滾子軸承 - 英制系列和J系列 |
| NTN HK1214L軸承 | 描述:軸承型號:HK1214L,沖壓外圈滾針軸承 - HK,HMK型,單面密封 |
| NTN NK33X60X20-9軸承 | 描述:軸承型號:NK33X60X20-9,機加工滾針軸承不帶內圈 - NK,NKS系列 |
進口軸承推薦
| FAG 23026EASK.M軸承 | 描述:5.8 kg,調心滾子軸承 |
| SKF 23156CC/HA1C3W33軸承 | 描述:96.4 kg,調心滾子軸承 |
| SKF 6028-2RS1/C3軸承 | 描述:3.44 kg,單列深溝球軸承 |
| FAG 21312TV軸承 | 描述:1.93 kg,調心滾子軸承 |
| NSK 24056ME4軸承 | 描述:81 kg,調心滾子軸承 |
MCGILL軸承推薦
| MCGILL CF2S軸承 | 基本尺寸,內徑:0.00000mm,外徑:50.80000mm,厚度:31.75000mm。 |
| MCGILL BCF2S軸承 | 基本尺寸,內徑:0.00000mm,外徑:50.80000mm,厚度:31.75000mm。 |
| MCGILL ROLLWAY-NU2310EMC3軸承 | 基本尺寸,內徑:50.00000mm,外徑:110.00000mm,厚度:40.00000mm。 |
| MCGILL GR60S+MI50軸承 | 基本尺寸,內徑:3.75000mm,外徑:4.75000mm,厚度:2.00000mm。 |
| MCGILL MCYRR35-S軸承 | 基本尺寸,內徑:35.00000mm,外徑:72.00000mm,厚度:29.00000mm。 |

