NTN M7309GEL軸承代號說明
M
7
3
0
9
G
E
L
M:NTN BOWER產品,標準公制尺寸系列
7:寬度系列:07系列
3:尺寸系列:03系列
09:內徑:45 mm
G:外圈帶止動環槽
E:外圈雙擋邊
L:復合鋼保持架
M:
NTN BOWER產品,標準公制尺寸系列
7:
寬度系列:07系列
3:
尺寸系列:03系列
09:
內徑:45 mm
G:
外圈帶止動環槽
E:
外圈雙擋邊
L:
復合鋼保持架
NTN M7309GEL軸承技術規格
| 類型 | 帶滾子的外圈 |
| 內孔型式 | 圓柱孔 |
| 材質 | 硬化合金鋼 |
| 保持架材質 | 復合鋼 |
| 結構 | 單列 |
| 注油孔 | 不帶注油孔 |
| 徑向游隙 | CN |
| 基本額定靜載荷 | 37000 lbf 165000 N 165.00 kN |
| 基本額定動載荷 | 30500 lbf 136000 N 136.00 kN |
| 附件 | 開式 |
| 重量 | 2.094 lb 0.950 kg |
| 應用溫度范圍 | -40 to 250 oF -40 to 120 oC |
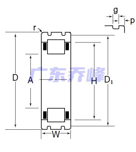
NTN M7309GEL軸承尺寸規格
| 外圈帶Cage and Rollers,兩個加強筋&Two 帶止動環槽 in外圈 O.D. - 尺寸 | |
| A | 2.3370 in 59.360 mm |
| D | 3.9370 in 100.000 mm |
| W | 1.2205 in 31.000 mm |
| r | 0.0598 in 1.520 mm |
| D1 | 3.8110 in 96.800 mm |
| p | 0.1091 in 2.770 mm |
| g | 0.1252 in 3.180 mm |
| H | 3.2079 in 81.480 mm |
NTN M7309GEL軸承尺寸圖
NTN軸承推薦
| NTN 6004LLUNC3軸承 | 描述:軸承型號:6004LLUNC3,單列深溝球軸承 - 雙面密封(接觸式橡膠密封),帶止動環槽 |
| NTN 6222LUNRC3軸承 | 描述:軸承型號:6222LUNRC3,單列深溝球軸承 - 單面密封(接觸式橡膠密封)帶止動環 |
| NTN 71907HV軸承 | 描述:軸承型號:71907HV,單列角接觸球軸承,高精度 |
| NTN BST50X100-1BLXLDTT軸承 | 描述:軸承型號:BST50X100-1BLXLDTT,滾珠絲杠用三列推力角接觸球軸承 - DTT配對,雙面密封,三排承受軸向載荷 |
| NTN UC211-200HT2D1軸承 | 描述:軸承型號:UC211-200HT2D1,帶緊定螺釘的外球面軸承,寬外圈 - 球面外圈 |
| NTN AEL211-200軸承 | 描述:軸承型號:AEL211-200,帶偏心鎖緊套的外球面軸承,狹窄內圈 - 球面外圈 |
| NTN 48190/48120軸承 | 描述:軸承型號:48190/48120,圓錐滾子軸承 - 英制系列和J系列 |
| NTN NH326E軸承 | 描述:軸承型號:NH326E,圓柱滾子軸承帶單擋邊內圈帶外圈&滾子組件,斜擋圈 - NH系列 |
| NTN MU1224TL軸承 | 描述:軸承型號:MU1224TL,圓柱滾子軸承 - 不可分離型,內圈帶兩個加強筋,外圈帶兩個擋圈 |
| NTN NATR35XLL軸承 | 描述:軸承型號:NATR35XLL,擋圈型滾輪軸承 - 帶內圈,雙面密封,NATR型,圓柱內徑 |
進口軸承推薦
| SKF 6217-2Z/VA208軸承 | 描述:1.79 kg,單列深溝球軸承 |
| KOYO 6202ZZ NR軸承 | 描述:0.044 kg,單列深溝球軸承 |
| SKF ADR.WX3軸承 | 描述:0.0001 kg,單列深溝球軸承 |
| FAG 231528-BE-XL-K-C3軸承 | 描述:93 kg,調心滾子軸承(X-life品質) |
| FAG 801806軸承 | 描述:7.6 kg,調心滾子軸承 |
MCGILL軸承推薦
| MCGILL CFD1-3/4軸承 | 基本尺寸,內徑:0.00000mm,外徑:1.75000mm,厚度:1.00000mm。 |
| MCGILL CFH1SB軸承 | 基本尺寸,內徑:0.00000mm,外徑:25.40000mm,厚度:15.88000mm。 |
| MCGILL ROLLWAY-E6212B軸承 | 基本尺寸,內徑:60.00000mm,外徑:110.00000mm,厚度:73.00000mm。 |
| MCGILL RD32軸承 | 基本尺寸,內徑:4.00000mm,外徑:5.50000mm,厚度:3.00000mm。 |
| MCGILL CCYRD3-1/4軸承 | 基本尺寸,內徑:1.00000mm,外徑:3.25000mm,厚度:1.75000mm。 |

