NTN M1209GEL軸承代號說明
M
1
2
0
9
G
E
L
M:NTN BOWER產品,標準公制尺寸系列
1:寬度系列:01系列
2:尺寸系列:02系列
09:內徑:45 mm
G:外圈帶止動環槽
E:外圈雙擋邊
L:復合鋼保持架
M:
NTN BOWER產品,標準公制尺寸系列
1:
寬度系列:01系列
2:
尺寸系列:02系列
09:
內徑:45 mm
G:
外圈帶止動環槽
E:
外圈雙擋邊
L:
復合鋼保持架
NTN M1209GEL軸承技術規格
| 類型 | 帶滾子的外圈 |
| 內孔型式 | 圓柱孔 |
| 材質 | 硬化合金鋼 |
| 保持架材質 | 復合鋼 |
| 結構 | 單列 |
| 公差 | ISO Class 0(RBEC 1) |
| 注油孔 | 不帶注油孔 |
| 徑向游隙 | CN |
| 基本額定靜載荷 | 16900 lbf 75000 N 75.00 kN |
| 基本額定動載荷 | 14400 lbf 64000 N 64.00 kN |
| 附件 | 開式 |
| 重量 | 0.811 lb 0.368 kg |
| 應用溫度范圍 | -40 to 250 oF -40 to 120 oC |
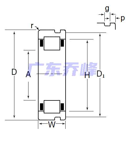
NTN M1209GEL軸承尺寸規格
| 帶保持架和滾子的外圈,兩個加強筋&帶止動環槽 in外圈 O.D. - 尺寸 | |
| A | 2.1858 in 55.520 mm |
| D | 3.3465 in 85.000 mm |
| C | 2.8272 in 71.810 mm |
| W | 0.7480 in 19.000 mm |
| r | 0.0402 in 1.020 mm |
| D1 | 3.2209 in 81.810 mm |
| p | 0.0780 in 1.980 mm |
| g | 0.1252 in 3.180 mm |
NTN M1209GEL軸承尺寸圖
NTN軸承推薦
| NTN 6303LLU軸承 | 描述:軸承型號:6303LLU,單列深溝球軸承 - 雙面密封(接觸式橡膠密封) |
| NTN 6919LUNR軸承 | 描述:軸承型號:6919LUNR,單列深溝球軸承 - 單面密封(接觸式橡膠密封)帶止動環 |
| NTN 597A/592軸承 | 描述:軸承型號:597A/592,圓錐滾子軸承 - 英制系列和J系列 |
| NTN JM718149/JM718110軸承 | 描述:軸承型號:JM718149/JM718110,圓錐滾子軸承 - 英制系列和J系列 |
| NTN 46780軸承 | 描述:軸承型號:46780,圓錐滾子軸承內圈 - 英制系列和J系列 |
| NTN 15520軸承 | 描述:軸承型號:15520,圓錐滾子軸承外圈 - 英制系列和J系列 |
| NTN N312軸承 | 描述:軸承型號:N312,圓柱滾子軸承 -內圈帶兩個加強筋,可分離型,普通外圈 - N型 |
| NTN CRV22XLL軸承 | 描述:軸承型號:CRV22XLL,凸輪從動螺柱式滾輪軸承 - 圓柱內徑,CRV..LL型 |
| NTN KBK18X22X23.8X1軸承 | 描述:軸承型號:KBK18X22X23.8X1,用于活塞銷的滾針和保持架組件 |
| NTN 22318EAKD1軸承 | 描述:軸承型號:22318EAKW33,調心滾子軸承,帶圓錐孔&注油槽 |
進口軸承推薦
| SNR 22322EKB33M軸承 | 描述:17.2 kg,調心滾子軸承 |
| FAG 6003.C3.J22C軸承 | 描述:0.039 kg,單列深溝球軸承 |
| FAG 6010-H-C3軸承 | 描述:0.261 kg,單列深溝球軸承 |
| SKF 6212-Z/C4軸承 | 描述:0.793 kg,單列深溝球軸承 |
| KOYO 22215RZKW33軸承 | 描述:1.61 kg,調心滾子軸承 |
MCGILL軸承推薦
| MCGILL GR26N+MI21N軸承 | 基本尺寸,內徑:1.62500mm,外徑:2.18750mm,厚度:1.00000mm。 |
| MCGILL MCF-26-SB-W軸承 | 基本尺寸,內徑:0.00000mm,外徑:26.00000mm,厚度:12.00000mm。 |
| MCGILL BCFE1-3/4S軸承 | 基本尺寸,內徑:0.00000mm,外徑:44.45000mm,厚度:25.40000mm。 |
| MCGILL CCFD3-1/2軸承 | 基本尺寸,內徑:0.00000mm,外徑:3.50000mm,厚度:2.00000mm。 |
| MCGILL MR36N+MI28N軸承 | 基本尺寸,內徑:2.25000mm,外徑:3.00000mm,厚度:1.50000mm。 |

