NTN KRT40X軸承技術規格
| 類型 | 凸輪從動軸承 |
| 材質 | 淬透鋼 |
| 螺紋類型 | 公制 |
| 保持架材質 | 壓制鋼 |
| 極限轉速-油潤滑 | 9000轉/分鐘 |
| 極限轉速-脂潤滑 | 7000轉/分鐘 |
| 滾子型式 | 圓柱型 |
| 螺柱類型 | 公制 |
| 軸承類型 | 滾針軸承 |
| 外圈類型 | 圓柱型 |
| 附件 | 開式 |
| 驅動裝置型式 | 插入式 |
| 結構 | 單列 |
| 扭矩 | 76.0 N ·m |
| 基本額定靜載荷 | 5150 lbf 22800 N |
| 基本額定動載荷 | 3150 lbf 14000 N |
| 軌道額定載荷 | 3250 lbf 14500 N |
| 重量 | 0.547 lb 0.248 kg |
| 應用溫度范圍 | -40 to 250 oF -40 to 120 oC |
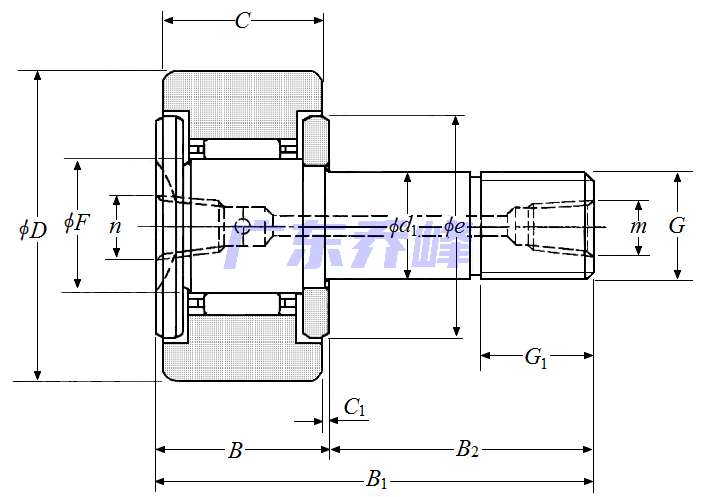
NTN KRT40X軸承尺寸規格
| 凸輪從動螺柱式滾輪軸承 - 圓柱內徑,KRT型 - 尺寸 | |
| G | M18x1.5 |
| B1 | 2.2835 in 58.000 mm |
| B2 | 1.4370 in 36.500 mm |
| D | 1.5748 in 40.000 mm |
| D公差 | 0/-0.0020 in 0/-0.050 mm |
| B | 0.8465 in 21.500 mm |
| C | 0.7874 in 20.000 mm |
| d1 | 0.7087 in 18.000 mm |
| d1公差 | 0/-0.0007 in 0/-0.018 mm |
| G1 | 0.7480 in 19.000 mm |
| e | 1.2598 in 32.000 mm |
| F | 0.8661 in 22.000 mm |
| C1 | 0.0315 in 0.800 mm |
| n | PT1/8 |
| m | PT1/8 |
| 注油嘴尺寸 | A-PT1/8 |
NTN KRT40X軸承尺寸圖
NTN軸承推薦
| NTN 6300LLHNRC3軸承 | 描述:軸承型號:6300LLHNRC3,單列深溝球軸承 - 雙面密封(輕接觸橡膠密封)帶止動環 |
| NTN 6005LLBNR軸承 | 描述:軸承型號:6005LLBNR,單列深溝球軸承 - 雙面密封(非接觸式橡膠密封)帶止動環 |
| NTN 60/28LUN軸承 | 描述:軸承型號:60/28LUN,單列深溝球軸承 - 單面密封(接觸式橡膠密封)帶止動環槽 |
| NTN HSB018CDTBT/GLP4軸承 | 描述:軸承型號:HSB018CDTBT/GLP4,超高速多列角接觸球軸承,串聯配對 |
| NTN UKX11軸承 | 描述:軸承型號:UKX11,帶緊定襯套外球面軸承 |
| NTN UC313-209D1軸承 | 描述:軸承型號:UC313-209D1,帶緊定螺釘的外球面軸承,寬外圈 - 球面外圈 |
| NTN M1310EX軸承 | 描述:軸承型號:M1310EX,帶保持架和滾子的外圈,兩個加強筋 |
| NTN 22220EMKD1軸承 | 描述:軸承型號:22220EMKW33,調心滾子軸承,帶圓錐孔&注油槽 |
| NTN UKFL316D1 (when used with H2316X)軸承 | 描述:軸承型號:UKFL316D1(配合軸承:H2316X),雙螺栓菱形法蘭式軸承座單元,鑄造外殼,帶緊定襯套,UKFL型 |
| NTN AELPF202-010軸承 | 描述:軸承型號:AELPF202-010,三螺栓圓形法蘭式軸承座單元,沖壓鋼外殼,帶偏心鎖緊套,AELPF型 |
進口軸承推薦
| FAG 627-2Z-C3軸承 | 描述:0.013 kg,深溝球軸承62..-2Z,主要尺寸符合DIN 625-1,兩側間隙密封 |
| INA 6001軸承 | 描述:0.022 kg,單列深溝球軸承 |
| SKF 6214軸承 | 描述:1.07 kg,單列深溝球軸承 |
| FAG B7208-C-T-P4S-DBL軸承 | 描述:0.76 kg, 大型鋼球主軸軸承 B型 |
| NSK 6308C2P5 AS2軸承 | 描述:0.633 kg,單列深溝球軸承 |
MCGILL軸承推薦
| MCGILL MCFR52-SBX-BHT1軸承 | 基本尺寸,內徑:0.00000mm,外徑:52.00000mm,厚度:24.00000mm。 |
| MCGILL BCYR2-3/4S軸承 | 基本尺寸,內徑:19.05000mm,外徑:69.85000mm,厚度:38.10000mm。 |
| MCGILL BCYR7/8S軸承 | 基本尺寸,內徑:6.35000mm,外徑:22.23000mm,厚度:12.70000mm。 |
| MCGILL FCF4-1/2軸承 | 基本尺寸,內徑:0.00000mm,外徑:4.50000mm,厚度:2.00000mm。 |
| MCGILL CCFD1-1/4軸承 | 基本尺寸,內徑:0.00000mm,外徑:1.25000mm,厚度:0.75000mm。 |

