NTN KR40XLLH軸承技術規格
| 類型 | 凸輪從動軸承 |
| 材質 | 淬透鋼 |
| 螺紋類型 | 公制 |
| 保持架材質 | 壓制鋼 |
| 極限轉速-油潤滑 | 9000轉/分鐘 |
| 極限轉速-脂潤滑 | 7000轉/分鐘 |
| 滾子型式 | 圓柱型 |
| 螺柱類型 | 公制 |
| 軸承類型 | 滾針軸承 |
| 外圈類型 | 圓柱型 |
| 附件 | 雙面密封 |
| 驅動裝置型式 | 六角頭 |
| 結構 | 單列 |
| 扭矩 | 76.0 N ·m |
| 基本額定靜載荷 | 5150 lbf 22800 N |
| 基本額定動載荷 | 3150 lbf 14000 N |
| 軌道額定載荷 | 3250 lbf 14500 N |
| 重量 | 0.547 lb 0.248 kg |
| 應用溫度范圍 | -40 to 250 oF -40 to 120 oC |
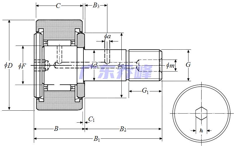
NTN KR40XLLH軸承尺寸規格
| 凸輪從動螺柱式滾輪軸承 - 圓柱內徑,KR..LLH型 - 尺寸 | |
| G | M18x1.5 |
| B1 | 2.2835 in 58.000 mm |
| B2 | 1.4370 in 36.500 mm |
| D | 1.5748 in 40.000 mm |
| D公差 | 0/-0.0020 in 0/-0.050 mm |
| B | 0.8465 in 21.500 mm |
| C | 0.7874 in 20.000 mm |
| d1 | 0.7087 in 18.000 mm |
| d1公差 | 0/-0.0007 in 0/-0.018 mm |
| G1 | 0.7480 in 19.000 mm |
| e | 1.2598 in 32.000 mm |
| B3 | 0.3150 in 8.000 mm |
| a | 0.1181 in 3.000 mm |
| F | 0.8661 in 22.000 mm |
| C1 | 0.0315 in 0.800 mm |
| h | 0.2362 in 6.000 mm |
| m | 0.2362 in 6.000 mm |
| 注油嘴尺寸 | NIP-B6 |
NTN KR40XLLH軸承尺寸圖
NTN軸承推薦
| NTN 6319NRC3軸承 | 描述:軸承型號:6319NRC3,單列深溝球軸承 - 開式帶止動環 |
| NTN 7020HVDUJ84軸承 | 描述:軸承型號:7020HVDUJ84,雙聯角接觸球軸承,高精度 - 萬能平頂軸承 |
| NTN BST30X62-1BLXLDBT軸承 | 描述:軸承型號:BST30X62-1BLXLDBT,滾珠絲杠用三列推力角接觸球軸承 - DBT配對,雙面密封,兩排承受軸向載荷 |
| NTN AS207-106軸承 | 描述:軸承型號:AS207-106,帶緊定螺釘的外球面軸承,狹窄內圈 - 球面外圈 |
| NTN 560/552軸承 | 描述:軸承型號:560/552,圓錐滾子軸承 - 英制系列和J系列 |
| NTN 42350/42586軸承 | 描述:軸承型號:42350/42586,圓錐滾子軸承 - 英制系列和J系列 |
| NTN NU308G1軸承 | 描述:軸承型號:NU308G1,圓柱滾子軸承 -可分離型,普通內圈,外圈帶兩個加強筋 - NU型 |
| NTN MR1207EV軸承 | 描述:軸承型號:MR1207EV,圓柱滾子軸承 -可分離型內圈帶一個加強筋,外圈帶兩個加強筋 |
| NTN MR1219EL軸承 | 描述:軸承型號:MR1219EL,圓柱滾子軸承 -可分離型內圈帶一個加強筋,外圈帶兩個加強筋 |
| NTN MU1220CL軸承 | 描述:軸承型號:MU1220CL,圓柱滾子軸承 -內圈帶兩個加強筋,可分離型,普通外圈 |
進口軸承推薦
| SKF 306941軸承 | 描述:0.535 kg,單列深溝球軸承 |
| SKF 21309軸承 | 描述:0.998 kg,調心滾子軸承 |
| FAG 6321-M軸承 | 描述:9.6 kg,單列深溝球軸承 |
| GMN S61803C TA P4 DUL軸承 | 描述:0.018 kg, 單列角接觸球軸承 |
| FAG HCB71924-E-T-P4S-K5-UM軸承 | 描述:0.97 kg,帶有大型陶瓷球的HCB混合主軸軸承 |
MCGILL軸承推薦
| MCGILL CF-2.1/4-S軸承 | 基本尺寸,內徑:0.00000mm,外徑:57.15000mm,厚度:31.75000mm。 |
| MCGILL GR26N+MI21N軸承 | 基本尺寸,內徑:1.62500mm,外徑:2.18750mm,厚度:1.00000mm。 |
| MCGILL CFE3.1/4軸承 | 基本尺寸,內徑:0.00000mm,外徑:82.55000mm,厚度:44.45000mm。 |
| MCGILL BCFE2S軸承 | 基本尺寸,內徑:0.00000mm,外徑:50.80000mm,厚度:31.75000mm。 |
| MCGILL CFH2-3/4SB軸承 | 基本尺寸,內徑:0.00000mm,外徑:69.85000mm,厚度:38.10000mm。 |

