NTN KR10XT2H軸承技術規格
| 類型 | 凸輪從動軸承 |
| 材質 | 淬透鋼 |
| 螺紋類型 | 公制 |
| 保持架材質 | 尼龍 |
| 極限轉速-油潤滑 | 40000轉/分鐘 |
| 極限轉速-脂潤滑 | 27000轉/分鐘 |
| 滾子型式 | 圓柱型 |
| 螺柱類型 | 公制 |
| 軸承類型 | 滾針軸承 |
| 外圈類型 | 圓柱型 |
| 附件 | 開式 |
| 驅動裝置型式 | 六角頭 |
| 結構 | 單列 |
| 扭矩 | 0.5 N ·m |
| 基本額定靜載荷 | 286 lbf 1270 N |
| 基本額定動載荷 | 370 lbf 1640 N |
| 軌道額定載荷 | 305 lbf 1360 N |
| 重量 | 0.011 lb 0.005 kg |
| 應用溫度范圍 | -40 to 250 oF -40 to 120 oC |
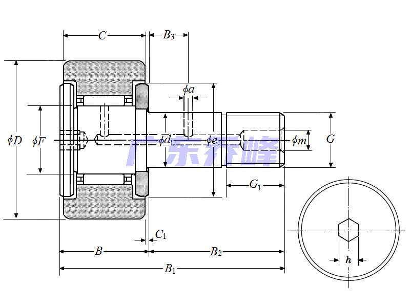
NTN KR10XT2H軸承尺寸規格
| 凸輪從動螺柱式滾輪軸承 - 圓柱內徑,KR..H型 - 尺寸 | |
| G | M3x0.5 |
| B1 | 0.6693 in 17.000 mm |
| B2 | 0.3543 in 9.000 mm |
| D | 0.3937 in 10.000 mm |
| D公差 | 0/-0.0020 in 0/-0.050 mm |
| B | 0.315 in 8.000 mm |
| C | 0.2756 in 7.000 mm |
| d1 | 0.1181 in 3.000 mm |
| d1公差 | 0/-0.0004 in 0/-0.010 mm |
| G1 | 0.1969 in 5.000 mm |
| e | 0.2756 in 7.000 mm |
| F | 0.1575 in 4.000 mm |
| C1 | 0.0197 in 0.500 mm |
| h | 0.0984 in 2.500 mm |
NTN KR10XT2H軸承尺寸圖
NTN軸承推薦
| NTN 6002LU軸承 | 描述:軸承型號:6002LU,單列深溝球軸承 - 單面密封(接觸式橡膠密封) |
| NTN 63208ZZC3軸承 | 描述:軸承型號:63208ZZC3,單列深溝球軸承 - 雙面防塵蓋 |
| NTN 6909LLUC3/2E軸承 | 描述:軸承型號:6909LLUC3/2E,單列深溝球軸承 - 雙面密封(接觸式橡膠密封) |
| NTN 6919LUNRC3軸承 | 描述:軸承型號:6919LUNRC3,單列深溝球軸承 - 單面密封(接觸式橡膠密封)帶止動環 |
| NTN 2216SC3軸承 | 描述:軸承型號:2216C3,自調心球軸承 - 圓柱孔 |
| NTN EC-6004LLB軸承 | 描述:軸承型號:EC-6004LLB,膨脹補償軸承 - 雙面密封(非接觸式橡膠密封) |
| NTN 7316BL1G軸承 | 描述:軸承型號:7316BL1G,單列角接觸球軸承 - 開式 |
| NTN NATV6XLL軸承 | 描述:軸承型號:NATV6XLL,擋圈型滾輪軸承 - 帶內圈,雙面密封,NATV型,圓柱內徑 |
| NTN 29240軸承 | 描述:軸承型號:29240,推力調心滾子軸承 |
| NTN UKFL208D1 (when used with H2308X)軸承 | 描述:軸承型號:UKFL208D1(配合軸承:H2308X),雙螺栓菱形法蘭式軸承座單元,鑄造外殼,帶緊定襯套,UKFL型 |
進口軸承推薦
| NACHI EE6軸承 | 描述:0.046 kg,單列深溝球軸承 |
| NSK 22226EAKE4C3軸承 | 描述:11.35 kg,調心滾子軸承 |
| NSK 24024CE4S11軸承 | 描述:5.209 kg,調心滾子軸承 |
| NACHI 21317EXQW33C3軸承 | 描述:5.03 kg,調心滾子軸承 |
| SNR 6316C3軸承 | 描述:3.69 kg,單列深溝球軸承 |
MCGILL軸承推薦
| MCGILL CFD6軸承 | 基本尺寸,內徑:0.00000mm,外徑:6.00000mm,厚度:3.25000mm。 |
| MCGILL GR56+MI47軸承 | 基本尺寸,內徑:3.50000mm,外徑:4.50000mm,厚度:2.00000mm。 |
| MCGILL BCYR2-1/4S軸承 | 基本尺寸,內徑:15.88000mm,外徑:57.15000mm,厚度:31.75000mm。 |
| MCGILL MR30+MI25-4S軸承 | 基本尺寸,內徑:1.87500mm,外徑:2.43750mm,厚度:1.25000mm。 |
| MCGILL ROLLWAY-NUP307EM軸承 | 基本尺寸,內徑:35.00000mm,外徑:80.00000mm,厚度:21.00000mm。 |

