NTN CRV12XH軸承技術規格
| 類型 | 凸輪從動軸承 |
| 材質 | 淬透鋼 |
| 螺紋類型 | 英制 |
| 保持架材質 | 無 |
| 極限轉速-油潤滑 | 11000轉/分鐘 |
| 極限轉速-脂潤滑 | 9000轉/分鐘 |
| 滾子型式 | 圓柱型 |
| 軸承類型 | 滾針軸承 |
| 外圈類型 | 圓柱型 |
| 附件 | 開式 |
| 驅動裝置型式 | 六角頭 |
| 結構 | 單列 |
| 扭矩 | 2.9 lb ·ft13 N ·m |
| 基本額定靜載荷 | 185 lbf 825 N |
| 基本額定動載荷 | 1810 lbf 8050 N |
| 重量 | 0.084 lb 0.038 kg |
| 應用溫度范圍 | -40 to 250 oF -40 to 120 oC |
NTN CRV12XH軸承尺寸規格
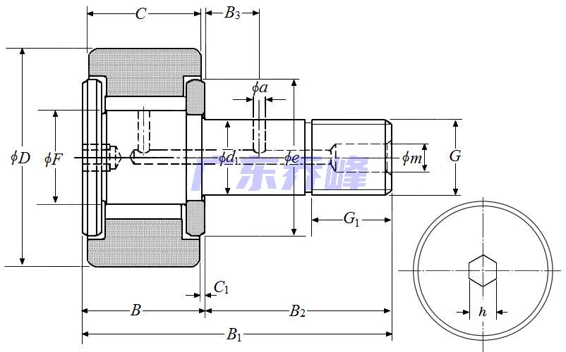
| 凸輪從動螺柱式滾輪軸承 - 圓柱內徑,CRV..H型 - 尺寸 | |
| G | 3/8-24UNF |
| B1 | 1.4370 in 36.500 mm |
| B2 | 0.8740 in 22.200 mm |
| D | 0.7500 in 19.050 mm |
| D公差 | 0/-0.0020 in 0/-0.050 mm |
| B | 0.5630 in 14.300 mm |
| C | 0.5000 in 12.700 mm |
| C公差 | 0/-0.0051 in 0/-0.130 mm |
| d1 | 0.3750 in 9.525 mm |
| d1公差 | 0.0010/0 in 0.025/0 mm |
| G1 | 0.3740 in 9.500 mm |
| e | 0.6102 in 15.500 mm |
| B3 | 0.2500 in 6.350 mm |
| a | 0.1181 in 3.000 mm |
| F | 0.4331 in 11.000 mm |
| C1 | 0.0315 in 0.800 mm |
| h | 0.1875 in 4.763 mm |
| 注油嘴尺寸 | NIP-B4 |
NTN CRV12XH軸承尺寸圖
NTN軸承推薦
| NTN EC-6200LLU軸承 | 描述:軸承型號:EC-6200LLU,膨脹補償軸承 - 雙面密封(接觸式橡膠密封) |
| NTN HTA016ADB軸承 | 描述:軸承型號:HTA016ADB,軸向載荷雙聯角接觸球軸承 - HTA型 |
| NTN REL211-202軸承 | 描述:軸承型號:REL211-202,帶偏心鎖緊套的外球面軸承,寬外圈 - 球面外圈 |
| NTN 51107YP5軸承 | 描述:軸承型號:51107YP5,單向推力球軸承 |
| NTN NUP1013軸承 | 描述:軸承型號:NUP1013,圓柱滾子軸承 -可分離型,短內圈帶一個加強筋,帶側板,外圈帶兩個加強筋 |
| NTN MA1312TV軸承 | 描述:軸承型號:MA1312TV,圓柱滾子軸承 -可分離型,普通內圈,外圈帶兩個擋圈 |
| NTN MR7314EL軸承 | 描述:軸承型號:MR7314EL,圓柱滾子軸承 -可分離型內圈帶一個加強筋,外圈帶兩個加強筋 |
| NTN MU1934TV軸承 | 描述:軸承型號:MU1934TV,圓柱滾子軸承 - 不可分離型,內圈帶兩個加強筋,外圈帶兩個擋圈 |
| NTN KRT26軸承 | 描述:軸承型號:KRT26,凸輪從動螺柱式滾輪軸承 - 球面外圈,KRT型 |
| NTN NUKR40XH/3AS軸承 | 描述:軸承型號:NUKR40XH/3AS,凸輪從動螺柱式滾輪軸承 - 圓柱內徑,NUKR..H型 |
進口軸承推薦
| FAG 7222BM.P6軸承 | 描述:5.07 kg,單列角接觸球軸承 |
| RHP XLJ3.3/4C3軸承 | 描述:0.835 kg,單列深溝球軸承 |
| NACHI KLNJ1/4 2RS軸承 | 描述:0.015 kg,單列深溝球軸承 |
| FAG 6224-2RSR-C3軸承 | 描述:5.15 kg,單列深溝球軸承 |
| FAG 21310K.C3軸承 | 描述:1.323 kg,調心滾子軸承 |
MCGILL軸承推薦
| MCGILL BCCYR3S軸承 | 基本尺寸,內徑:25.40000mm,外徑:76.20000mm,厚度:44.45000mm。 |
| MCGILL ROLLWAY-NUP308EM軸承 | 基本尺寸,內徑:40.00000mm,外徑:90.00000mm,厚度:23.00000mm。 |
| MCGILL CFH-5-S軸承 | 基本尺寸,內徑:0.00000mm,外徑:5.00000mm,厚度:69.85000mm。 |
| MCGILL ROLLWAY-NJ211EM軸承 | 基本尺寸,內徑:55.00000mm,外徑:100.00000mm,厚度:21.00000mm。 |
| MCGILL MCFE26SBX軸承 | 基本尺寸,內徑:0.00000mm,外徑:26.00000mm,厚度:12.00000mm。 |

