NTN CR36XH軸承技術規格
| 類型 | 凸輪從動軸承 |
| 材質 | 淬透鋼 |
| 螺紋類型 | 英制 |
| 保持架材質 | 穿孔鋼板 |
| 極限轉速-油潤滑 | 6600轉/分鐘 |
| 極限轉速-脂潤滑 | 5000轉/分鐘 |
| 滾子型式 | 圓柱型 |
| 軸承類型 | 滾針軸承 |
| 外圈類型 | 圓柱型 |
| 附件 | 開式 |
| 驅動裝置型式 | 六角頭 |
| 結構 | 單列 |
| 扭矩 | 34.0 lb ·ft150 N ·m |
| 基本額定靜載荷 | 665 lbf 2950 N |
| 基本額定動載荷 | 6500 lbf 28900 N |
| 重量 | 1.653 lb 0.750 kg |
| 應用溫度范圍 | -40 to 250 oF -40 to 120 oC |
NTN CR36XH軸承尺寸規格
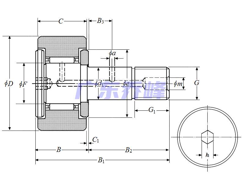
| 凸輪從動螺柱式滾輪軸承 - 圓柱外徑,CR..H型 - 尺寸 | |
| G | 7/8-14UNF |
| B1 | 3.3110 in 84.100 mm |
| B2 | 2.0000 in 50.800 mm |
| D | 2.2500 in 57.150 mm |
| D公差 | 0/-0.0020 in 0/-0.050 mm |
| B | 1.3110 in 33.300 mm |
| C | 1.2500 in 31.750 mm |
| C公差 | 0/-0.0051 in 0/-0.130 mm |
| d1 | 0.8750 in 22.225 mm |
| d1公差 | 0.0010/0 in 0.025/0 mm |
| G1 | 1.0000 in 25.400 mm |
| e | 1.6535 in 42 mm |
| B3 | 0.5000 in 12.700 mm |
| a | 0.1969 in 5.000 mm |
| F | 1.1811 in 30.000 mm |
| C1 | 0.0315 in 0.800 mm |
| h | 0.4375 in 11.113 mm |
| m | 0.2362 in 6.000 mm |
| 注油嘴尺寸 | NIP-B6 |
NTN CR36XH軸承尺寸圖
NTN軸承推薦
| NTN 6004軸承 | 描述:軸承型號:6004,單列深溝球軸承 - 開式 |
| NTN 6310LLBC3P5軸承 | 描述:軸承型號:6310LLBC3P5,單列深溝球軸承 - 雙面密封(非接觸式橡膠密封) |
| NTN 5313SWC3軸承 | 描述:軸承型號:5313WC3,雙列角接觸球軸承 - 開式,5200&5300系列 |
| NTN 7910UAD軸承 | 描述:軸承型號:7910UAD,單列角接觸球軸承 - Ultage系列 |
| NTN 71910CVDUJ84軸承 | 描述:軸承型號:71910CVDUJ84,雙聯角接觸球軸承,高精度 - 萬能平頂軸承 |
| NTN CH7020CVUJ74軸承 | 描述:軸承型號:CH7020CVUJ74,單列混合陶瓷角接觸球軸承,高精度 |
| NTN NUP407軸承 | 描述:軸承型號:NUP407,圓柱滾子軸承 -可分離型,短內圈帶一個加強筋,帶側板,外圈帶兩個加強筋 |
| NTN NU2218軸承 | 描述:軸承型號:NU2218,圓柱滾子軸承 -可分離型,普通內圈,外圈帶兩個加強筋 - NU型 |
| NTN NH2232軸承 | 描述:軸承型號:NH2232,圓柱滾子軸承帶單擋邊內圈帶外圈&滾子組件,斜擋圈 - NH系列 |
| NTN MU1222TL軸承 | 描述:軸承型號:MU1222TL,圓柱滾子軸承 - 不可分離型,內圈帶兩個加強筋,外圈帶兩個擋圈 |
進口軸承推薦
| SNR 23036VB33MBF90軸承 | 描述:16.5 kg,調心滾子軸承 |
| FAG 6001-C-2BRS-L407/15-UNS軸承 | 描述:0.0206 kg,單列深溝球軸承 |
| NSK 22224L11-1EAKE4軸承 | 描述:8.46 kg, |
| FAG F-HC808548.KL軸承 | 描述:8.38 kg,單列深溝球軸承 |
| SKF BB1B447243軸承 | 描述:0 kg,單列深溝球軸承 |
MCGILL軸承推薦
| MCGILL MCFRE32SB軸承 | 基本尺寸,內徑:0.00000mm,外徑:32.00000mm,厚度:14.00000mm。 |
| MCGILL BCYR3S軸承 | 基本尺寸,內徑:25.40000mm,外徑:76.20000mm,厚度:44.45000mm。 |
| MCGILL BCCF5/8S軸承 | 基本尺寸,內徑:0.00000mm,外徑:15.88000mm,厚度:11.11000mm。 |
| MCGILL BCCF7/8S軸承 | 基本尺寸,內徑:0.00000mm,外徑:22.23000mm,厚度:12.70000mm。 |
| MCGILL BCF5/8SB軸承 | 基本尺寸,內徑:0.00000mm,外徑:15.88000mm,厚度:11.11000mm。 |

