NTN C-SFCW2228-415N1軸承技術規格
| 類型 | 四螺栓圓形法蘭式軸承座 |
| 軸承類型 | 調心滾子軸承 |
| 鎖緊裝置 | 緊定襯套 |
| 密封圈材質 | 丁腈橡膠 |
| 軸承型號 | MX-W22228EALLKD1C3 |
| 軸承座型號 | SFC228N1 |
| 緊定襯套型號 | HA2328M1 |
| 殼體材質 | 球墨鑄鐵 |
| 殼體鑄造型式 | 一體成型 |
| 性能 | 重型 |
| 端蓋類型 | 開式 |
| 基本額定動載荷 | 205000 lbf 912000 N 912.00 kN |
| 基本額定靜載荷 | 227000 lbf 1010000 N 1010.00 kN |
| 極限轉速 | 1100轉/分鐘 |
| 應用溫度范圍 | -40 to 400 oF -40 to 200 oC |
| 潤滑方式 | 可再潤滑 |
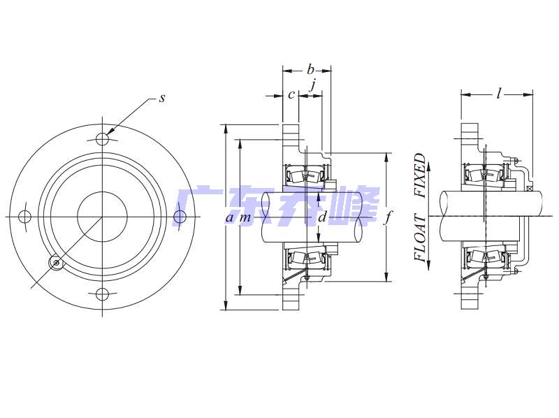
NTN C-SFCW2228-415N1軸承尺寸規格
| 密封球面法蘭式軸承座單元,鑄造防塵蓋,開式端蓋,SFCW系列 - 尺寸 | |
| d | 4.9375 in 125.413 mm |
| a | 17.7165 in 450.0 mm |
| b | 4.7244 in 120.0 mm |
| c | 1.7717 in 45.0 mm |
| m | 15.1575 in 385.0 mm |
| f | 12.1569 in 310.0 mm |
| j | 2.2047 in 56.0 mm |
| l | 6.8504 in 174.000 mm |
| s | 1.3780 in 35.0 mm |
| 注意 | 銷售圖紙反映的是不帶緊定襯套的尺寸,實際上是帶的,因此需要注意。如不能很好把握,可直接致電020-81178086咨詢我們。 |
NTN C-SFCW2228-415N1軸承尺寸圖
NTN C-SFCW2228-415N1軸承安裝指南
| 軸向位移 - Min. | 0.043 in |
| 軸向位移 - Max. | 0.055 in |
| 推薦的鎖緊螺母旋轉角度 | 210 o |
| 液壓 - Min. | 3300 lb/in2 |
| 液壓 - Max. | 4550 lb/in2 |
NTN C-SFCW2228-415N1軸承同尺寸型號
| C-SFCW2228-415N1 | 詳細尺寸,d:125.413mm,f:450.000mm,c:45.000mm,b:120.000mm,:385.000mm |
| SFCW2228-415N1 | 詳細尺寸,d:125.413mm,f:450.000mm,c:45.000mm,b:120.000mm,:385.000mm |
| 共計找到2條記錄 | |
NTN C-SFCW2228-415N1軸承相關配件/適用型號
| MX-W22228EALLKD1C3 | 詳細尺寸,d:140.000mm,dD:250.000mm,b:88.000mm,r:1.500mm |
NTN軸承推薦
| NTN 6207ZZNRC3軸承 | 描述:軸承型號:6207ZZNRC3,單列深溝球軸承 - 雙面防塵蓋帶止動環 |
| NTN BL314ZZC3/EM軸承 | 描述:軸承型號:BL314ZZC3/EM,單列深溝球軸承 - 雙面防塵蓋 |
| NTN 87502軸承 | 描述:軸承型號:87502,單列深溝球軸承 - 單面防塵蓋&單面密封(接觸式橡膠密封),87000系列 |
| NTN HTA030DB軸承 | 描述:軸承型號:HTA030DB,軸向載荷雙聯角接觸球軸承 - HTA型 |
| NTN 7820C軸承 | 描述:軸承型號:7820C,單列角接觸球軸承 - 開式 |
| NTN A-UCX07-106D1軸承 | 描述:軸承型號:A-UCX07-106D1,超一流帶緊定螺釘的外球面軸承,寬外圈 - 球面外圈 |
| NTN 562011軸承 | 描述:軸承型號:562011,雙向推力角接觸球軸承 |
| NTN HM926747/HM926716軸承 | 描述:軸承型號:HM926747/HM926716,圓錐滾子軸承 - 英制系列和J系列 |
| NTN 5565軸承 | 描述:軸承型號:5565,圓錐滾子軸承內圈 - 英制系列和J系列 |
| NTN MSN1215EV軸承 | 描述:軸承型號:MSN1215EV,圓柱滾子軸承 -可分離型,短內圈帶一個加強筋,外圈帶兩個加強筋 |
進口軸承推薦
| NSK 6028CM軸承 | 描述:3.44 kg,單列深溝球軸承 |
| KAYDON KB120CP0軸承 | 描述:0.376 kg,單列深溝球軸承 |
| SNR 6019.EEC3軸承 | 描述:1.2 kg,單列深溝球軸承 |
| FAG 24024-E1-K30軸承 | 描述:5.14 kg,調心滾子軸承(X-life品質) |
| NTN 6810JRZZC3/5K軸承 | 描述:0.051 kg,單列深溝球軸承 |
MCGILL軸承推薦
| MCGILL MR24+MI20軸承 | 基本尺寸,內徑:1.50000mm,外徑:2.06250mm,厚度:1.25000mm。 |
| MCGILL BCCF5/8S軸承 | 基本尺寸,內徑:0.00000mm,外徑:15.88000mm,厚度:11.11000mm。 |
| MCGILL CCFH11/16軸承 | 基本尺寸,內徑:0.00000mm,外徑:17.46000mm,厚度:11.11000mm。 |
| MCGILL SB22209KW33SS軸承 | 基本尺寸,內徑:45.00000mm,外徑:85.00000mm,厚度:23.00000mm。 |
| MCGILL BCCF3S軸承 | 基本尺寸,內徑:0.00000mm,外徑:76.20000mm,厚度:44.45000mm。 |

