NTN A-UEL210-115D1M軸承代號說明
A
-
U
E
L
2
1
0
-
1
1
5
D
1
M
A-:從非鎖定機構側進行潤滑
UEL:寬內圈,鎖圈帶拋油環
2:系列:輕型承重
10:內徑系列:50 mm 系列
-:內徑分隔符
115:內徑:1.9375 in
D1:帶油槽油孔,可再潤滑
M:黑色氧化物涂層
A-:
從非鎖定機構側進行潤滑
UEL:
寬內圈,鎖圈帶拋油環
2:
系列:輕型承重
10:
內徑系列:50 mm 系列
-:
內徑分隔符
115:
內徑:1.9375 in
D1:
帶油槽油孔,可再潤滑
M:
黑色氧化物涂層
NTN A-UEL210-115D1M軸承技術規格
| 類型 | 外球面軸承 |
| 內孔型式 | 圓柱孔 |
| 軸承類型 | 滾珠軸承 |
| 材質 | 黑色氧化物 |
| 滾珠材質 | 鋼 |
| 密封型式 | 接觸式 |
| 密封圈材質 | 丁腈橡膠 |
| 性能 | 標準 |
| 結構 | 單列 |
| 鎖緊裝置 | 偏心鎖緊套 |
| 鎖緊裝置型號 | EL210-115 |
| 潤滑方式 | 可再潤滑 |
| 鎖緊套型號 | C-115#BCA |
| 基礎外圈型號 | 210 |
| 徑向游隙 | CN |
| 基本額定靜載荷 | 5200 lbf 23200 N 23.20 kN |
| 基本額定動載荷 | 7850 lbf 35000 N 35.00 kN |
| 附件 | 雙面密封 |
| 重量 | 2.250 lb 1.021 kg |
| 應用溫度范圍 | -40 to 250 oF -40 to 120 oC |
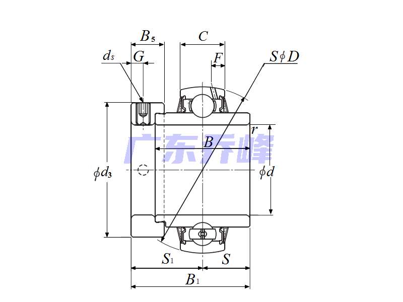
NTN A-UEL210-115D1M軸承尺寸規格
| 超一流帶偏心鎖緊套的外球面軸承,寬外圈 - 球面外圈 - 尺寸 | |
| d | 1-15/16 in 49.213 mm |
| D | 3.5433 in 90.000 mm |
| C | 0.9449 in 24.000 mm |
| B | 1.9370 in 49.200 mm |
| B1 | 2.4685 in 62.700 mm |
| r | 0.0591 in 1.500 mm |
| ds | 3/8-24 UNF |
| G | 0.2677 in 6.800 mm |
| d3 | 2.7362 in 69.500 mm |
| B5 | 0.7205 in 18.300 mm |
| S1 | 1.5000 in 38.100 mm |
| S | 0.9685 in 24.600 mm |
| F | 0.2323 in 5.900 mm |
NTN A-UEL210-115D1M軸承尺寸圖
NTN A-UEL210-115D1M軸承相關配件/適用型號
| C-115#BCA | 詳細尺寸,:18.288mm,j:69.500mm,r2max:6.800mm |
NTN軸承推薦
| NTN FLR133軸承 | 描述:軸承型號:FLR133,單列深溝球軸承 - 開式帶法蘭 |
| NTN 6901LUN軸承 | 描述:軸承型號:6901LUN,單列深溝球軸承 - 單面密封(接觸式橡膠密封)帶止動環槽 |
| NTN 5309SC3軸承 | 描述:軸承型號:5309C3,雙列角接觸球軸承 - 開式,5200&5300系列 |
| NTN CH71915HVDUJ74軸承 | 描述:軸承型號:CH71915HVDUJ74,雙列混合陶瓷角接觸球軸承,高精度 - 萬能平頂軸承 |
| NTN MLE7005HVDUJ84S軸承 | 描述:軸承型號:MLE7005HVDUJ84S,密封雙聯角接觸球軸承,高精度 |
| NTN BST25X62-1BLXLDBTT軸承 | 描述:軸承型號:BST25X62-1BLXLDBTT,滾珠絲杠用四列角接觸推力球軸承 - DBTT配對,雙面密封,三排承受軸向載荷 |
| NTN 51160軸承 | 描述:軸承型號:51160,單向推力球軸承 |
| NTN 6461A軸承 | 描述:軸承型號:6461A,圓錐滾子軸承內圈 - 英制系列和J系列 |
| NTN NU405軸承 | 描述:軸承型號:NU405,圓柱滾子軸承 -可分離型,普通內圈,外圈帶兩個加強筋 - NU型 |
| NTN KRVU19X軸承 | 描述:軸承型號:KRVU19X,凸輪從動螺柱式滾輪軸承 - 圓柱內徑,KRVU型 |
進口軸承推薦
| NTN 6312NR C3軸承 | 描述:1.68 kg,單列深溝球軸承 |
| FAG 6008.2RSR.C3.J22C軸承 | 描述:0.195 kg,單列深溝球軸承 |
| SNR 22317.E.F800軸承 | 描述:6.81 kg,調心滾子軸承 |
| SKF 608-2RZ/C3軸承 | 描述:0.012 kg,單列深溝球軸承 |
| SKF 6000-2RZ/C2ELHT23軸承 | 描述:0.0185 kg,單列深溝球軸承 |
MCGILL軸承推薦
| MCGILL ROLLWAY-NU318EM軸承 | 基本尺寸,內徑:90.00000mm,外徑:190.00000mm,厚度:43.00000mm。 |
| MCGILL MR20+MI16軸承 | 基本尺寸,內徑:1.25000mm,外徑:1.75000mm,厚度:1.25000mm。 |
| MCGILL CCF1-3/8SB軸承 | 基本尺寸,內徑:0.00000mm,外徑:34.93000mm,厚度:19.05000mm。 |
| MCGILL ROLLWAY-NU218EMC3軸承 | 基本尺寸,內徑:90.00000mm,外徑:160.00000mm,厚度:30.00000mm。 |
| MCGILL CCYR1-5/8S軸承 | 基本尺寸,內徑:11.11000mm,外徑:41.28000mm,厚度:22.23000mm。 |

