NTN 7AC10-1.15/16D1軸承技術規格
| 類型 | 重型盤式軸承 |
| 內孔型式 | 圓柱孔 |
| 外圈類型 | 圓柱型 |
| 材質 | 淬透鋼 |
| 保持架型式 | 壓制 |
| 保持架材質 | 鋼 |
| 滾珠材質 | 鋼 |
| 密封型式 | 接觸式 |
| 密封圈材質 | 丁腈橡膠 |
| 結構 | 單列 |
| 潤滑方式 | 可再潤滑 |
| 基本額定靜載荷 | 5216 lbf 23200 N 23.20 kN |
| 基本額定動載荷 | 7869 lbf 35000 N 35.00 kN |
| 附件 | 雙面密封 |
| 重量 | 1.499 lb 0.680 kg |
| 應用溫度范圍 | -40 to 250 oF -40 to 120 oC |
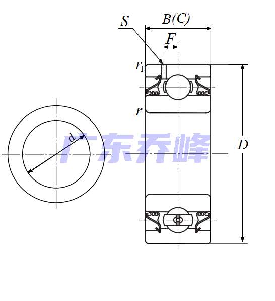
NTN 7AC10-1.15/16D1軸承尺寸規格
| 重型盤式軸承 - 圓柱內徑,7系列 - 尺寸 | |
| d | 1.9380 in 49.225 mm |
| D | 3.5433 in 90.000 mm |
| C | 1.1890 in 30.200 mm |
| B | 1.1890 in 30.200 mm |
| r | 0.0591 in 1.500 mm |
| F | 0.2638 in 6.700 mm |
| s | 0.0866 in 2.200 mm |
| 軸徑 | 1.9375 in 49.213 mm |
NTN 7AC10-1.15/16D1軸承尺寸圖
NTN軸承推薦
| NTN 6700C3軸承 | 描述:軸承型號:6700C3,單列深溝球軸承 - 開式 |
| NTN 6010LLUN軸承 | 描述:軸承型號:6010LLUN,單列深溝球軸承 - 雙面密封(接觸式橡膠密封),帶止動環槽 |
| NTN 2206S軸承 | 描述:軸承型號:2206,自調心球軸承 - 圓柱孔 |
| NTN 87006軸承 | 描述:軸承型號:87006,單列深溝球軸承 - 單面防塵蓋&單面密封(接觸式橡膠密封),87000系列 |
| NTN MLECH7012HV軸承 | 描述:軸承型號:MLECH7012HV,密封混合陶瓷角接觸球軸承 - 接觸角 17°,高精度 |
| NTN 7022DB/GNP5軸承 | 描述:軸承型號:7022DB/GNP5,雙聯角接觸球軸承 - 背對背配對 |
| NTN UC215-300D1/LP03軸承 | 描述:軸承型號:UC215-300D1/LP03,帶緊定螺釘的外球面軸承,寬外圈 - 球面外圈 |
| NTN 2910軸承 | 描述:軸承型號:2910,單向推力球軸承 |
| NTN 41126軸承 | 描述:軸承型號:41126,圓錐滾子軸承內圈 - 英制系列和J系列 |
| NTN 30205UX軸承 | 描述:軸承型號:30205X,圓錐滾子軸承 - 公制系列 |
進口軸承推薦
| FAG 7205-B-XL-MP-H101軸承 | 描述:0.1347 kg,單列角接觸球軸承(X-life品質) |
| MCGILL 7308軸承 | 描述:0.611 kg, 單列角接觸球軸承 |
| MRC 117KSG軸承 | 描述:0.89 kg,單列深溝球軸承 |
| FAG 24128SK30軸承 | 描述:11.8 kg,調心滾子軸承 |
| SKF 6314/W64軸承 | 描述:2.52 kg,單列深溝球軸承 |
MCGILL軸承推薦
| MCGILL SB22216K-W33-SS軸承 | 基本尺寸,內徑:80.00000mm,外徑:140.00000mm,厚度:33.00000mm。 |
| MCGILL MCYRR5S軸承 | 基本尺寸,內徑:5.00000mm,外徑:16.00000mm,厚度:11.00000mm。 |
| MCGILL MCF30SB 2 ZZM軸承 | 基本尺寸,內徑:0.00000mm,外徑:30.00000mm,厚度:14.00000mm。 |
| MCGILL CCF9S軸承 | 基本尺寸,內徑:0.00000mm,外徑:228.60000mm,厚度:120.65000mm。 |
| MCGILL CCFH7SB軸承 | 基本尺寸,內徑:0.00000mm,外徑:177.80000mm,厚度:95.25000mm。 |

