NTN 5S-HSB010CT1DTP2軸承代號說明
5
S
-
H
S
B
0
1
0
C
T
1
D
T
P
2
5S-:陶瓷球軸承
HSB:超高速角接觸球軸承.HSB型
0:尺寸系列:10系列
10:內徑:50 mm
C:接觸角 15o
T1:機加工酚醛樹脂保持架
DT:串聯配對, / /
P2:P2級精度
5S-:
陶瓷球軸承
HSB:
超高速角接觸球軸承.HSB型
0:
尺寸系列:10系列
10:
內徑:50 mm
C:
接觸角 15o
T1:
機加工酚醛樹脂保持架
DT:
串聯配對, / /
P2:
P2級精度
NTN 5S-HSB010CT1DTP2軸承技術規格
| 類型 | 角接觸球軸承 |
| 內孔型式 | 圓柱孔 |
| 材質 | 高碳鉻鋼 |
| 保持架型式 | 分層型 |
| 保持架材質 | 酚醛樹脂 |
| 滾珠材質 | 陶瓷 |
| 精度 | ISO Class 2 |
| 結構 | 雙列 |
| 基本額定靜載荷 | 5150 lbf 22800 N 22.80 kN |
| 基本額定動載荷 | 7650 lbf 34000 N 34.00 kN |
| 附件 | 開式 |
| 重量 | 1.012 lb 0.459 kg |
| 應用溫度范圍 | -40 to 250 oF -40 to 120 oC |
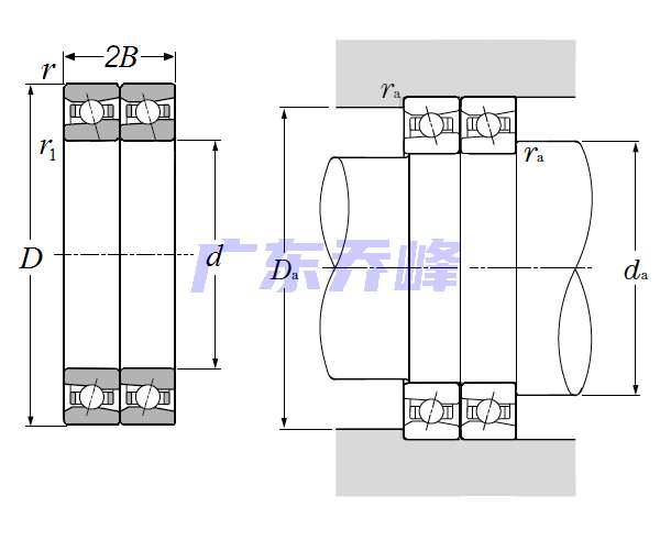
NTN 5S-HSB010CT1DTP2軸承尺寸規格
| 超高速雙聯角接觸球軸承,串聯配對 - 尺寸 | |
| d | 1.9685 in 50.000 mm |
| D | 3.1496 in 80.000 mm |
| B | 0.6299 in 16.000 mm |
| 2B | 1.2598 in 32.000 mm |
| r | 0.0394 in 1.000 mm |
| r1 | 0.0236 in 0.600 mm |
| 接觸角 | 15 o |
| da min | 2.1850 in 55.500 mm |
| Da max | 2.9331 in 74.500 mm |
| ras max | 0.0394 in 1.000 mm |
NTN 5S-HSB010CT1DTP2軸承尺寸圖
NTN軸承推薦
| NTN BL214ZNR軸承 | 描述:軸承型號:BL214ZNR,單列深溝球軸承 - 單面防塵蓋帶止動環,BL系列 |
| NTN ML7008CVDUJ84S軸承 | 描述:軸承型號:ML7008CVDUJ84S,高速雙聯角接觸球軸承,高精度 - 萬能平頂軸承 |
| NTN 2A-BST35X72-1BLX#03軸承 | 描述:軸承型號:2A-BST35X72-1BLX#03,滾珠絲杠用四列角接觸推力球軸承 - 開式,兩排承受軸向載荷 |
| NTN UC322HT2D1軸承 | 描述:軸承型號:UC322HT2D1,帶緊定螺釘的外球面軸承,寬外圈 - 球面外圈 |
| NTN JM716648軸承 | 描述:軸承型號:JM716648,圓錐滾子軸承內圈 - 英制系列和J系列 |
| NTN NN3015KD1C1NAP4軸承 | 描述:軸承型號:NN3015KD1C1NAP4,雙列圓柱滾子軸承 - 圓錐孔&注油孔 - NN型 |
| NTN M1310EX軸承 | 描述:軸承型號:M1310EX,帶保持架和滾子的外圈,兩個加強筋 |
| NTN NU2212C3軸承 | 描述:軸承型號:NU2212C3,圓柱滾子軸承 -可分離型,普通內圈,外圈帶兩個加強筋 - NU型 |
| NTN NU340軸承 | 描述:軸承型號:NU340,圓柱滾子軸承 -可分離型,普通內圈,外圈帶兩個加強筋 - NU型 |
| NTN MU1318UV軸承 | 描述:軸承型號:MU1318UV,圓柱滾子軸承 - 不可分離型,內圈帶兩個加強筋,外圈帶一個加強筋,帶擋圈 |
進口軸承推薦
| NKE 23124KMW33軸承 | 描述:7.53 kg,調心滾子軸承 |
| ROLLWAY 6202 2RS C3軸承 | 描述:0.044 kg,單列深溝球軸承 |
| INA 204RR AH06軸承 | 描述:0.118 kg,單列深溝球軸承 |
| FAG 6208ZR.C3軸承 | 描述:0.369 kg,單列深溝球軸承 |
| TIMKEN 22315EJW33C3軸承 | 描述:5.01 kg,調心滾子軸承 |
MCGILL軸承推薦
| MCGILL MR60SS+MI52軸承 | 基本尺寸,內徑:3.75000mm,外徑:4.75000mm,厚度:2.00000mm。 |
| MCGILL MR132+MI112軸承 | 基本尺寸,內徑:8.25000mm,外徑:10.12500mm,厚度:3.00000mm。 |
| MCGILL CYR5-S軸承 | 基本尺寸,內徑:44.45000mm,外徑:127.00000mm,厚度:2.75000mm。 |
| MCGILL ROLLWAY-NU2316EMC3軸承 | 基本尺寸,內徑:80.00000mm,外徑:170.00000mm,厚度:58.00000mm。 |
| MCGILL MCF26AS軸承 | 基本尺寸,內徑:0.00000mm,外徑:26.00000mm,厚度:12.00000mm。 |

