NTN 5S-2LA-HSL026AD軸承代號說明
5
S
-
2
L
A
-
H
S
L
0
2
6
A
D
5S-:陶瓷球軸承
2LA-:改進表面處理的特殊材料
HSL:環保型角接觸球軸承HSL Ultage型,默認接觸角 20o
0:尺寸系列:10系列
26:內徑:130 mm
AD:接觸角 25o
5S-:
陶瓷球軸承
2LA-:
改進表面處理的特殊材料
HSL:
環保型角接觸球軸承HSL Ultage型,默認接觸角 20o
0:
尺寸系列:10系列
26:
內徑:130 mm
AD:
接觸角 25o
NTN 5S-2LA-HSL026AD軸承技術規格
| 類型 | 角接觸球軸承 |
| 內孔型式 | 圓柱孔 |
| 材質 | 高碳鉻鋼 |
| 保持架型式 | 機加工 |
| 保持架材質 | 酚醛樹脂 |
| 滾珠材質 | 鋼 |
| 極限轉速-油潤滑 | 15200轉/分鐘 |
| 結構 | 單列 |
| 基本額定靜載荷 | 10500 lbf 46500 N 46.50 kN |
| 基本額定動載荷 | 14600 lbf 65000 N 65.00 kN |
| 附件 | 開式 |
| 重量 | 7.143 lb 3.240 kg |
| 應用溫度范圍 | -40 to 250 oF -40 to 120 oC |
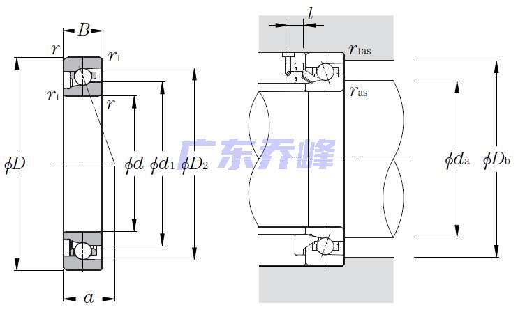
NTN 5S-2LA-HSL026AD軸承尺寸規格
| 環保型角接觸球軸承 - HSL Ultage系列 - 尺寸 | |
| d | 5.1181 in 130.000 mm |
| D | 7.8740 in 200.000 mm |
| B | 1.2992 in 33.000 mm |
| d1 | 6.1220 in 155.500 mm |
| D2 | 7.1457 in 181.500 mm |
| r | 0.0787 in 2.000 mm |
| r1 | 0.0394 in 1.000 mm |
| 接觸角 | 25 o |
| a | 2.1772 in 55.300 mm |
| da min | 5.5118 in 140.000 mm |
| Db max | 7.6575 in 194.500 mm |
| r1as max | 0.0394 in 1.000 mm |
| l min | 0.3543 in 9.000 mm |
| 雙列寬度 | 2.5984 in 66.000 mm |
| 三列寬度 | 3.8976 in 99.000 mm |
| 四列寬度 | 5.1969 in 132.000 mm |
NTN 5S-2LA-HSL026AD軸承尺寸圖
NTN軸承推薦
| NTN FLRA188ZZA軸承 | 描述:軸承型號:FLRA188ZZA,單列深溝球軸承帶法蘭外圈 - 雙面防塵蓋 |
| NTN BC6-16A軸承 | 描述:軸承型號:BC6-16A,單列深溝球軸承 - 開式 |
| NTN 6002LLB/0G軸承 | 描述:軸承型號:6002LLB/0G,單列深溝球軸承 - 雙面密封(非接觸式橡膠密封) |
| NTN 594A/592XE軸承 | 描述:軸承型號:594A/592XE,圓錐滾子軸承 - 英制系列和J系列 |
| NTN 65212軸承 | 描述:軸承型號:65212,圓錐滾子軸承內圈 - 英制系列和J系列 |
| NTN 67820CD軸承 | 描述:軸承型號:67820CD,圓錐滾子軸承外圈 - 英制系列和J系列 |
| NTN M7313TX軸承 | 描述:軸承型號:M7313TX,帶保持架和滾子的外圈,兩個擋圈 |
| NTN MR5217EX軸承 | 描述:軸承型號:MR5217EX,圓柱滾子軸承 -可分離型內圈帶一個加強筋,外圈帶兩個加強筋 |
| NTN KR52XH軸承 | 描述:軸承型號:KR52XH,凸輪從動螺柱式滾輪軸承 - 圓柱內徑,KR..H型 |
| NTN ARA82117T2軸承 | 描述:軸承型號:ARA82117T2,雙列推力滾子軸承 - ARA型 |
進口軸承推薦
| FAG 23960B.MB.C3.H40AB軸承 | 描述:40 kg,調心滾子軸承 |
| SNR 6209.HT200.ZZ軸承 | 描述:0.413 kg, |
| FAG 6312-H-SN-C3軸承 | 描述:1.717 kg,單列深溝球軸承 |
| FAG 60/500-N1-MB-C3軸承 | 描述:136.82 kg,深溝球軸承 |
| RHP 22218EJW33C3軸承 | 描述:3.18 kg,調心滾子軸承 |
MCGILL軸承推薦
| MCGILL MCYRR17S軸承 | 基本尺寸,內徑:17.00000mm,外徑:40.00000mm,厚度:20.00000mm。 |
| MCGILL FCFE3軸承 | 基本尺寸,內徑:0.00000mm,外徑:3.00000mm,厚度:2.00000mm。 |
| MCGILL CCYR7/8S軸承 | 基本尺寸,內徑:6.35000mm,外徑:22.23000mm,厚度:12.70000mm。 |
| MCGILL GR96N+MI80N軸承 | 基本尺寸,內徑:6.00000mm,外徑:7.50000mm,厚度:2.50000mm。 |
| MCGILL MCFR-16-S-TMS1軸承 | 基本尺寸,內徑:0.00000mm,外徑:16.00000mm,厚度:11.00000mm。 |

