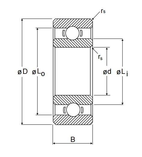
NMB DDR-1140ZZRP0P25 LO1軸承尺寸、參數與圖紙
| 基本尺寸 (mm) | |
| 軸承內徑 d | 4 |
| 軸承外徑 D | 11 |
| 開式軸承厚度 B | 4 |
| 密封型軸承厚度 B | 4 |
| 倒角半徑 rs(min) | 0.15 |
| 基本尺寸 (in) | |
| 軸承內徑 d | 0.1575 |
| 軸承外徑 D | 0.4331 |
| 開式軸承厚度 B | 0.1575 |
| 密封型軸承厚度 B | 0.1575 |
| 倒角半徑 rs(min) | 0.006 |
| 安裝尺寸 (mm) | |
| 開式軸承外圈內徑 Lo | 9.54 |
| 開式軸承內圈外徑 Li | 6.4 |
| 密封式軸承外圈內徑 Lo | 9.54 |
| 密封式軸承內圈外徑 Li | 6.4 |
| 載荷(N) | |
| 基本動載荷 | 714 |
| 基本靜載荷 | 276 |
| 滾珠參數 | |
| 數量 Z | 8 |
| 直徑(mm) Dw | 1.5875 |
| 其他參數 | |
| ISO/JIS 標準代號 | 694 |
微型軸承推薦
| NSK 699T1XZZ1MC3E J NS7L5軸承 | 基本尺寸,內徑:9.00000mm,外徑:20.00000mm,厚度:6.00000mm。 |
| NMB RF-1760X2ZZRP0P25LY121軸承 | 基本尺寸,內徑:6.00000mm,外徑:17.00000mm,厚度:6.00000mm。 |
| EZO F625HZZ軸承 | 基本尺寸,內徑:5.00000mm,外徑:16.00000mm,厚度:5.00000mm。 |
| EZO 6707-2RS SRL軸承 | 基本尺寸,內徑:35.00000mm,外徑:44.00000mm,厚度:5.00000mm。 |
| EZO SMF52ZZ軸承 | 基本尺寸,內徑:2.00000mm,外徑:5.00000mm,厚度:2.00000mm。 |
FAG軸承推薦
| FAG B7201-E-T-P4S-UL軸承 | FAG B7201-E-T-P4S-UL軸承,市場價:¥406.41元,當前庫存103套,添加時間:2023-08-20 20:44:34 |
| FAG UCP211-32軸承 | FAG UCP211-32軸承,市場價:¥172.24元,當前庫存125套,添加時間:2023-08-22 15:10:16 |
| FAG SNV090-F-L軸承 | FAG SNV090-F-L軸承,市場價:¥190.26元,當前庫存31套,添加時間:2023-08-22 13:02:36 |
| FAG 23134-E1-XL-TVPB軸承 | FAG 23134-E1-XL-TVPB軸承,市場價:¥6088.26元,當前庫存2套,添加時間:2023-08-20 18:20:41 |
| FAG B71901-C-2RSD-T-P4S-UL軸承 | FAG B71901-C-2RSD-T-P4S-UL軸承,市場價:¥705.88元,當前庫存10套,添加時間:2023-08-20 20:43:34 |
IKO軸承推薦
| IKO BAM3616軸承 | 基本尺寸,內徑:57.15000mm,外徑:66.67500mm,厚度:25.40000mm。 |
| IKO TR223425軸承 | 基本尺寸,內徑:22.00000mm,外徑:34.00000mm,厚度:25.00000mm。 |
| IKO TLA3020Z軸承 | 基本尺寸,內徑:30.00000mm,外徑:37.00000mm,厚度:20.00000mm。 |
| IKO TAF121916OH軸承 | 基本尺寸,內徑:12.00000mm,外徑:19.00000mm,厚度:16.00000mm。 |
| IKO NBXI1730Z軸承 | 基本尺寸,內徑:17.00000mm,外徑:35.00000mm,厚度:30.00000mm。 |

