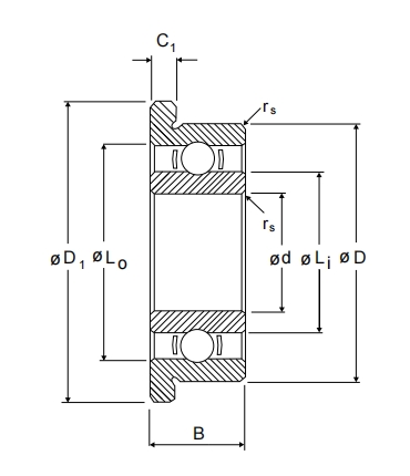
NMB DDLF-1260ZZRP0P25LY121S軸承尺寸、參數與圖紙
| 基本尺寸 (mm) | |
| 軸承內徑 d | 6 |
| 軸承外徑 D | 12 |
| 開式軸承厚度 B | 3 |
| 密封型軸承厚度 B | 4 |
| 倒角半徑 rs(min) | 0.15 |
| 基本尺寸 (in) | |
| 軸承內徑 d | 0.2362 |
| 軸承外徑 D | 0.4724 |
| 開式軸承厚度 B | 0.1181 |
| 密封型軸承厚度 B | 0.1575 |
| 倒角半徑 rs(min) | 0.006 |
| 安裝尺寸 (mm) | |
| 開式軸承法蘭外徑 D1 | 13.2 |
| 開式軸承法蘭厚度 C1 | 0.6 |
| 密封式軸承法蘭外徑 D1 | 13.6 |
| 密封式軸承法蘭厚度 C1 | 0.8 |
| 開式軸承外圈內徑 Lo | 9.94 |
| 開式軸承內圈外徑 Li | 7.7 |
| 密封式軸承外圈內徑 Lo | 10.48 |
| 密封式軸承內圈外徑 Li | 7.7 |
| 載荷(N) | |
| 基本動載荷 | 831 |
| 基本靜載荷 | 363 |
| 滾珠參數 | |
| 數量 Z | 10 |
| 直徑(mm) Dw | 1.5875 |
| 其他參數 | |
| ISO/JIS 標準代號 | - |
微型軸承推薦
| EZO 63801ZZ軸承 | 基本尺寸,內徑:12.00000mm,外徑:21.00000mm,厚度:7.00000mm。 |
| NSK 635DDMC3E J NS7L5軸承 | 基本尺寸,內徑:5.00000mm,外徑:19.00000mm,厚度:6.00000mm。 |
| NSK MR63T12ZZMC3 M PS2S5軸承 | 基本尺寸,內徑:3.00000mm,外徑:6.00000mm,厚度:2.00000mm。 |
| EZO F688H-2RS軸承 | 基本尺寸,內徑:8.00000mm,外徑:16.00000mm,厚度:4.00000mm。 |
| EZO 697H.2RS SRL軸承 | 基本尺寸,內徑:7.00000mm,外徑:17.00000mm,厚度:5.00000mm。 |
FAG軸承推薦
| FAG NJ2332-E-M1-C3軸承 | FAG NJ2332-E-M1-C3軸承,市場價:¥8925.00元,當前庫存4套,添加時間:2023-08-19 10:36:10 |
| FAG NUP230-E-XL-M1-F1-C3軸承 | FAG NUP230-E-XL-M1-F1-C3軸承,市場價:¥6724.27元,當前庫存11套,添加時間:2023-08-19 10:03:17 |
| FAG 33019-H軸承 | FAG 33019-H軸承,市場價:¥236.55元,當前庫存114套,添加時間:2023-08-19 21:28:10 |
| FAG 51106軸承 | FAG 51106軸承,市場價:¥39.52元,當前庫存18套,添加時間:2023-08-18 14:57:25 |
| FAG NU318-E-XL-M1A-C4軸承 | FAG NU318-E-XL-M1A-C4軸承,市場價:¥3190.99元,當前庫存2套,添加時間:2023-08-18 22:33:02 |
IKO軸承推薦
| IKO YB2610/MF3軸承 | 基本尺寸,內徑:41.27500mm,外徑:50.80000mm,厚度:15.88000mm。 |
| IKO CRH10-1VBUU軸承 | 基本尺寸,內徑:7.93800mm,外徑:15.87500mm,厚度:11.11200mm。 |
| IKO RNAFW8010060軸承 | 基本尺寸,內徑:80.00000mm,外徑:100.00000mm,厚度:60.00000mm。 |
| IKO RNA6910UU軸承 | 基本尺寸,內徑:58.00000mm,外徑:72.00000mm,厚度:40.00000mm。 |
| IKO BAM136軸承 | 基本尺寸,內徑:20.63800mm,外徑:26.98800mm,厚度:9.52000mm。 |

