IKO NATB5912軸承尺寸、參數與圖紙
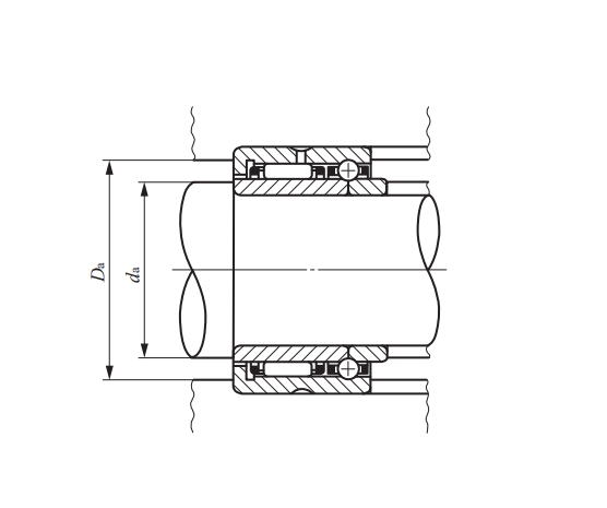
| 基本尺寸 (mm) | |
| 軸徑 d | 60 |
| 內徑 d | 60 |
| 外徑 D | 85 |
| 厚度 C | 34 |
| 厚度 B | 38 |
| 倒角尺寸 rs min | 1 |
| 滾子下直徑 Fw | 68 |
| 標準安裝尺寸 (mm) | |
| da Min. | 65 |
| Da Max. | 80 |
| 重量(g) | |
| 660 | |
| 載荷(N) | |
| 動態基本額定載荷 - 徑向 | 41800 |
| 動態基本額定載荷 - 軸向 | 10700 |
| 靜態基本額定載荷 - 徑向 | 82200 |
| 靜態基本額定載荷 - 軸向 | |
| 其他參數 | |
| 極限轉速 /min | 6000 |
| 其他品牌替代型號(為基本代號,僅供參考,詳細請咨詢客服) | |
| NTN | NKIB5912 |
| INA | NKIB5912 |
| SKF | NKIB5912 |
IKO軸承推薦
| IKO TRI355630軸承 | 基本尺寸,內徑:35.00000mm,外徑:56.00000mm,厚度:30.00000mm。 |
| IKO CRH18VBUU軸承 | 基本尺寸,內徑:15.87500mm,外徑:28.57500mm,厚度:15.87500mm。 |
| IKO NA4938軸承 | 基本尺寸,內徑:190.00000mm,外徑:260.00000mm,厚度:69.00000mm。 |
| IKO BA1412ZOH軸承 | 基本尺寸,內徑:22.22500mm,外徑:28.57500mm,厚度:19.05000mm。 |
| IKO TAF192720OG軸承 | 基本尺寸,內徑:19.00000mm,外徑:27.00000mm,厚度:20.00000mm。 |
TIMKEN軸承推薦
| TIMKEN JLM104945/JLM104914軸承 | TIMKEN JLM104945/JLM104914軸承,市場價:¥1188.38元,當前庫存12套,添加時間:2023-09-15 13:47:53 |
| TIMKEN 55187C/55452D軸承 | TIMKEN 55187C/55452D軸承,市場價:¥2730.41元,當前庫存1套,添加時間:2023-09-15 16:46:16 |
| TIMKEN 3482/3420軸承 | TIMKEN 3482/3420軸承,市場價:¥672.53元,當前庫存12套,添加時間:2023-09-05 13:40:20 |
| TIMKEN 496/494A軸承 | TIMKEN 496/494A軸承,市場價:¥11433.88元,當前庫存2套,添加時間:2023-09-15 11:31:00 |
| TIMKEN HM807049A/HM807010軸承 | TIMKEN HM807049A/HM807010軸承,市場價:¥419.90元,當前庫存23套,添加時間:2023-09-15 10:01:04 |
NSK軸承推薦
| NSK 300TMP12軸承 | NSK 300TMP12軸承,市場價:¥15750.00元,當前庫存2套,添加時間:2023-09-01 11:24:41 |
| NSK 7915A5TYNSULP4軸承 | NSK 7915A5TYNSULP4軸承,市場價:¥1021.02元,當前庫存120套,添加時間:2023-08-29 15:50:47 |
| NSK 7938A5TRDULP3軸承 | NSK 7938A5TRDULP3軸承,市場價:¥19650.00元,當前庫存10套,添加時間:2023-08-29 21:32:59 |
| NSK NN30/530KE2CC1P4 P3 *6軸承 | NSK NN30/530KE2CC1P4 P3 *6軸承,市場價:¥61017.71元,當前庫存2套,添加時間:2023-08-30 17:07:11 |
| NSK NNU49/630KE44CC1P5軸承 | NSK NNU49/630KE44CC1P5軸承,市場價:¥136500.00元,當前庫存1套,添加時間:2023-08-30 17:07:53 |

