IBC 71906.C.T.P2H.QBCL軸承尺寸、參數與圖紙
| 接觸角 | |
| 8500 ° | |
| 外形尺寸 (mm) | |
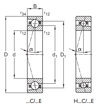
| 軸承內徑 d | 30 |
| 軸承外徑 D | 47 |
| 軸承厚度 B | 9 |
| 內圈外徑 d1 | 35.3 |
| 外圈內徑 D1 | 41.8 |
| 倒角半徑 r1,2.max | 0.3 |
| 倒角半徑 r3,4.max | 0.15 |
| 擋肩和倒角尺寸 (mm) | |
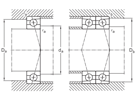
| 內圈擋肩 da.min | 34 |
| 外圈擋肩 Da.max | 44.5 |
| 外圈擋肩 Db.max | 45.7 |
| 倒角半徑 ra.max | 0.3 |
| 倒角半徑 rb.max | 0.15 |
| 額定載荷(N) | |
| 動態額定載荷 Cr | 8500 |
| 靜態徑向載荷 Cor | 6400 |
| 疲勞極限載荷 Cu | 237 |
| 極限轉速(r/min) | |
| 脂潤滑 | 31000 |
| 油/油霧潤滑 | 47000 |
| 超輕預緊 | |
| 預緊力 Fv | 20 N |
| 凸出量 δ | 3 μm |
| 軸向剛度 Sa | 25 N/μm |
| 徑向剛度 Sr | 180 N/μm |
| 卸載力 F.AK | 60 N |
| 輕型預緊 | |
| 預緊力 Fv | 40 N |
| 凸出量 δ | 5 μm |
| 軸向剛度 Sa | 35 N/μm |
| 徑向剛度 Sr | 220 N/μm |
| 卸載力 F.AK | 120 N |
| 中等預緊 | |
| 預緊力 Fv | 95 N |
| 凸出量 δ | 9 μm |
| 軸向剛度 Sa | 55 N/μm |
| 徑向剛度 Sr | 260 N/μm |
| 卸載力 F.AK | 260 N |
| 重壓預緊 | |
| 預緊力 Fv | 190 N |
| 凸出量 δ | 14 μm |
| 軸向剛度 Sa | 75 N/μm |
| 徑向剛度 Sr | 340 N/μm |
| 卸載力 F.AK | 520 N |
| 其他參數 | |
| 注入直徑 d.pi | 36.1 mm |
| 作用點位置 a | 10 mm |
| 精密鎖緊螺母型號 | MBA30 |
| 參考重量 | 0.048 kg |
| 相關產品推薦 | |||
| 型號 | 市場價 | 喬峰價 | 庫存 |
| 71906.E.T.2RSZ.P5.UL軸承 | ¥191.1元 | 電話咨詢 | 219 |
| CB71906.C.T.2RSZ.P4.UL軸承 | ¥450.45元 | 電話咨詢 | 10 |
| 71906-E-T-P2H-DUL軸承 | ¥865.88元 | 電話咨詢 | 1 |
| 71906.C.T.P2H.UL軸承 | ¥885.5元 | 電話咨詢 | 2 |
角接觸球軸承推薦
| HRB 7308C/DTA/P4軸承 | 基本尺寸,內徑:40.00000mm,外徑:90.00000mm,厚度:23.00000mm。 |
| NTN 7317CEX1CP5軸承 | 基本尺寸,內徑:85.00000mm,外徑:180.00000mm,厚度:41.00000mm。 |
| NTN 7906CDLLBG/GNP42#02軸承 | 基本尺寸,內徑:30.00000mm,外徑:47.00000mm,厚度:9.00000mm。 |
| IBC 71911.C.T.P4.UL軸承 | 基本尺寸,內徑:55.00000mm,外徑:80.00000mm,厚度:13.00000mm。 |
| FAG B71968-E-TX-P4S-UL軸承 | 基本尺寸,內徑:340.00000mm,外徑:460.00000mm,厚度:56.00000mm。 |
FAG軸承推薦
| FAG HS71909-C-T-P4S-UL軸承 | FAG HS71909-C-T-P4S-UL軸承,市場價:¥722.53元,當前庫存28套,添加時間:2023-08-21 16:09:36 |
| FAG 6036-M-C3軸承 | FAG 6036-M-C3軸承,市場價:¥1297.80元,當前庫存28套,添加時間:2023-08-17 11:46:31 |
| FAG 33212軸承 | FAG 33212軸承,市場價:¥101.60元,當前庫存1942套,添加時間:2023-08-19 21:05:31 |
| FAG 2308-2RS-TVH#E軸承 | FAG 2308-2RS-TVH#E軸承,市場價:¥264.50元,當前庫存100套,添加時間:2023-08-18 12:23:15 |
| FAG 6317-J20AA-C3軸承 | FAG 6317-J20AA-C3軸承,市場價:¥3675.00元,當前庫存4套,添加時間:2023-08-17 16:04:27 |
IKO軸承推薦
| IKO TLA3020Z軸承 | 基本尺寸,內徑:30.00000mm,外徑:37.00000mm,厚度:20.00000mm。 |
| IKO BA55ZOH軸承 | 基本尺寸,內徑:7.93800mm,外徑:12.70000mm,厚度:7.92000mm。 |
| IKO TLAM2016軸承 | 基本尺寸,內徑:20.00000mm,外徑:26.00000mm,厚度:16.00000mm。 |
| IKO BR324116軸承 | 基本尺寸,內徑:50.80000mm,外徑:65.08800mm,厚度:25.40000mm。 |
| IKO NA4922UU軸承 | 基本尺寸,內徑:110.00000mm,外徑:150.00000mm,厚度:40.00000mm。 |

